EasyManua.ls Logo

ESAB RobustFeed AVS - Wiring Diagram

ESAB RobustFeed AVS
42 pages
Print Icon
To Next Page IconTo Next Page
To Next Page IconTo Next Page
To Previous Page IconTo Previous Page
To Previous Page IconTo Previous Page
Loading...
APPENDIX
0446 680 001
- 37 -
© ESAB AB 2021
APPENDIX
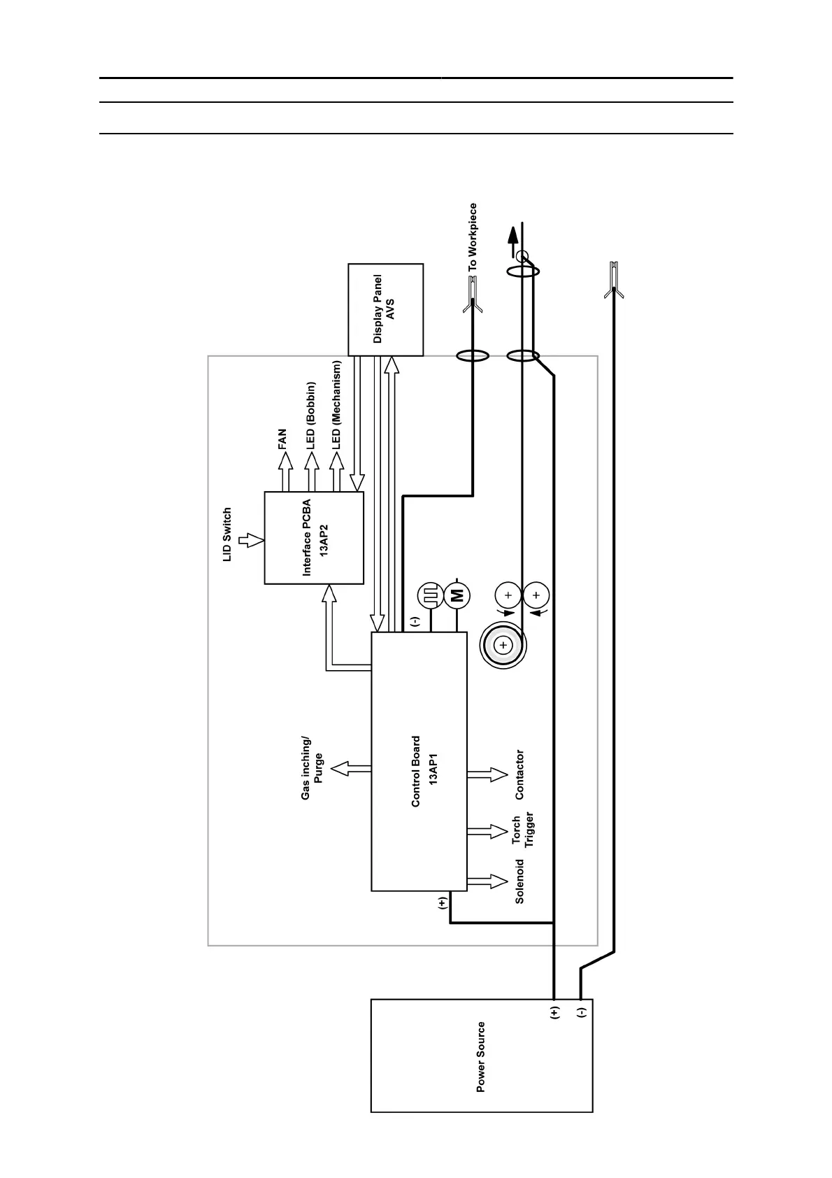
WIRING DIAGRAM

Related product manuals