EasyManua.ls Logo

Eshed Robotec SCORBOT-ER 4pc - Page 35

Default Icon
41 pages
Print Icon
To Next Page IconTo Next Page
To Next Page IconTo Next Page
To Previous Page IconTo Previous Page
To Previous Page IconTo Previous Page
Loading...
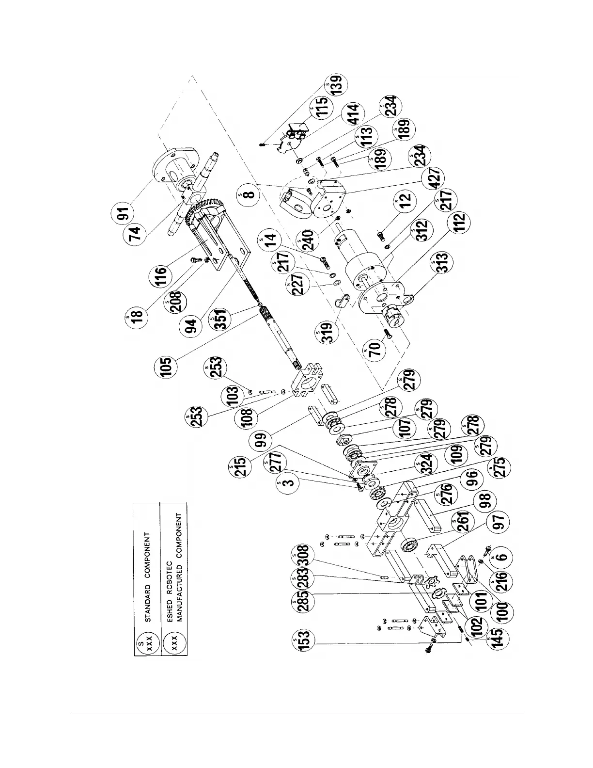
Figure 20: Gripper Assembly
User’s Manual 29 SCORBOT-ER 4pc
9810