EasyManua.ls Logo

Eurapo Prisma PV - Page 48

Default Icon
52 pages
Print Icon
To Next Page IconTo Next Page
To Next Page IconTo Next Page
To Previous Page IconTo Previous Page
To Previous Page IconTo Previous Page
Loading...
48
1
2
3
4
5
6
7
8
9
10
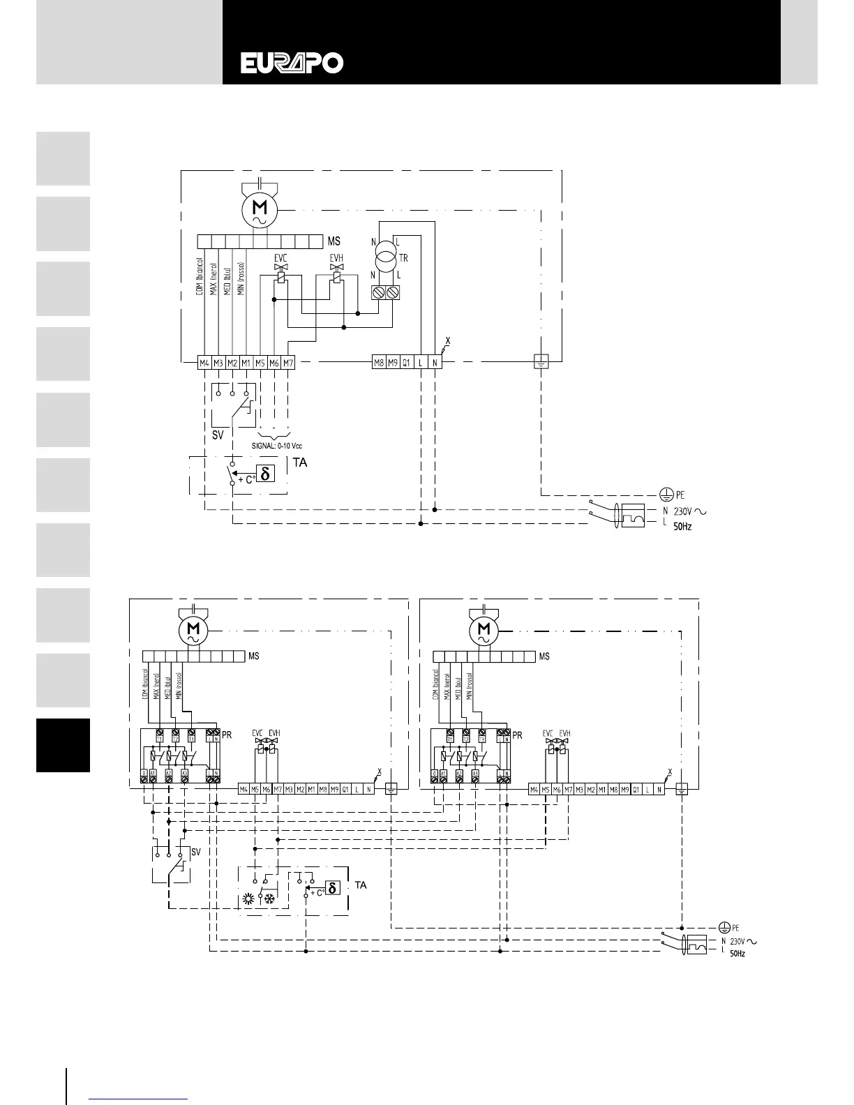
CBL10 – EVCM – EVHM
CBL20 – EVC – EVH – MASTER/SLAVE

Table of Contents

Related product manuals