EasyManua.ls Logo

evertz HD2011 - Displaying the Status of the Input; Configuring AES Output Audio; Figure 5-1: Audio Architecture for AES Outputs

Default Icon
91 pages
Print Icon
To Next Page IconTo Next Page
To Next Page IconTo Next Page
To Previous Page IconTo Previous Page
To Previous Page IconTo Previous Page
Loading...
HD2014, HD2012, HD2011 Video Passport
TM
1RU Multi-Path Video Converter, Frame Synchronizer and Decoder
Page 5-46 Revision 0.1 FRONT PANEL OPERATION
5.2.4.3. Displaying the Status of the Input
The HD201x supports 8x AES inputs. The HD201x monitors the status of internal AES sample rate
converters on a per channel pair
basis. For the sake of brevity, the audio sample rate converter status
for AES IN 1 will be discussed in this manual. Sample rate converters for all other AES inputs are
monitored in the same way.
Audio
AES In
Status
Input 1 to Input 8
Pcm, bypass
The SRC status will be displayed as Pcm or Bypass,
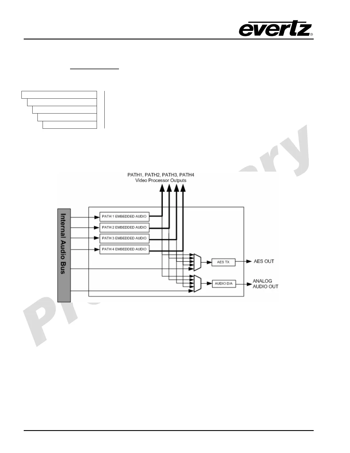
5.2.5. Configuring AES Output Audio
The following diagram demonstrates the audio architecture associated with AES outputs.
Figure 5-1: Audio Architecture for AES Outputs

Table of Contents

Related product manuals