EasyManua.ls Logo

evertz HD2011 - The Hd201 X; Configuring the Analog Audio Per Channels Delays; Configuring Analog Audio Outputs; Configuring the Input Channel of the Analog Output Mixer

Default Icon
91 pages
Print Icon
To Next Page IconTo Next Page
To Next Page IconTo Next Page
To Previous Page IconTo Previous Page
To Previous Page IconTo Previous Page
Loading...
HD2014, HD2012, HD2011 Video Passport
TM
1RU Multi-Path Video Converter, Frame Synchronizer and Decoder
Page 5-50 Revision 0.1 FRONT PANEL OPERATION
5.2.6.2. Configuring the Analog Audio per Channels Delays
The HD201x has 4x Analog Audio inputs with per channel audio delay control capabilities.
For the sake of brevity, only the delay control for channel 1 will be described in this manual.
Audio
analogIn
chDelay
Channel 1
0…16383 samples
Units of measure are audio samples (48 KHz sampling).
Select a value from 0 to 16383 audio samples.
Each audio sample is 48 KHz and therefore represents a delay of
0.02 ms. Therefore, 0 samples correspond to 0ms of delay and
16383 corresponds to ~ 314 ms of delay.
5.2.7. Configuring Analog Audio Outputs
5.2.7.1. Configuring the Input Channel of the Analog Output Mixer
The HD201x supports 8x analog audio outputs. Within the analog audio output mixer, audio routing,
audio gain and audio inversion controls are supported on a channel by channel basis. For the sake of
brevity, the controls for AA OUT 1 will be discussed in this manual. Controls for all other analog audio
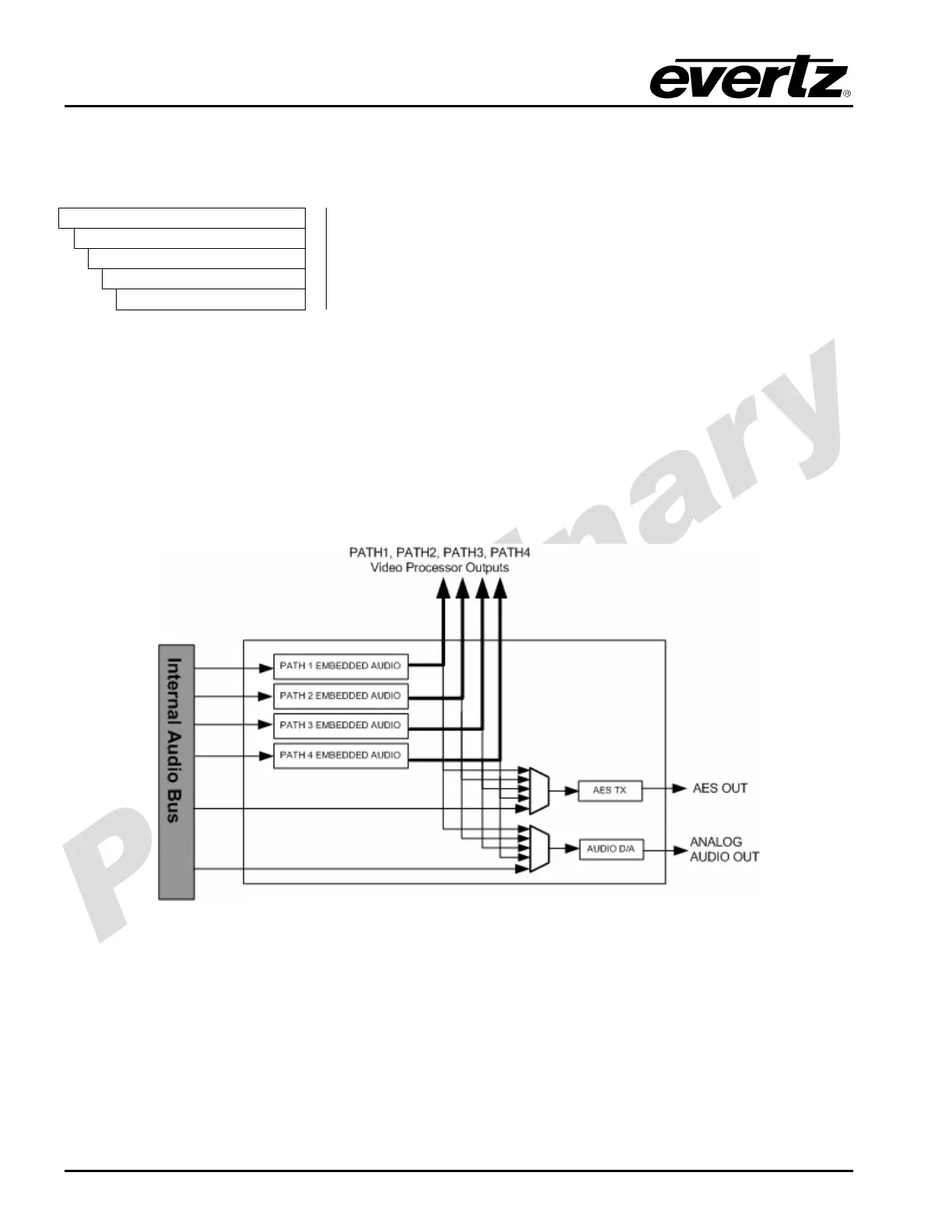
outputs operate in the same way. Figure 5-3 shows the architecture for the analog audio outputs.
Figure 5-3: Architecture of Analog Audio Outputs
For each output audio Figure 5-4 illustrates the output audio mixer. Each mixer has an X input and Y
input with associated gain and inversion controls. These X and Y inputs can be used to generate mono-
mixes if desired. For the sake of brevity, only channel selection, gain and inversion controls for the X
channel are described in this manual.
The following shows the audio routing control for the X input of Analog Audio out channel 1.

Table of Contents

Related product manuals