EasyManua.ls Logo

Evo HW 79 - Wiring Diagrams

Evo HW 79
50 pages
Print Icon
To Next Page IconTo Next Page
To Next Page IconTo Next Page
To Previous Page IconTo Previous Page
To Previous Page IconTo Previous Page
Loading...
34000 Autry Street, Livonia, MI 48150 • 800.968.5530 • Fax 734.419.0209 • www.hamiltonengineering.com • LIT91127 REV 3/09
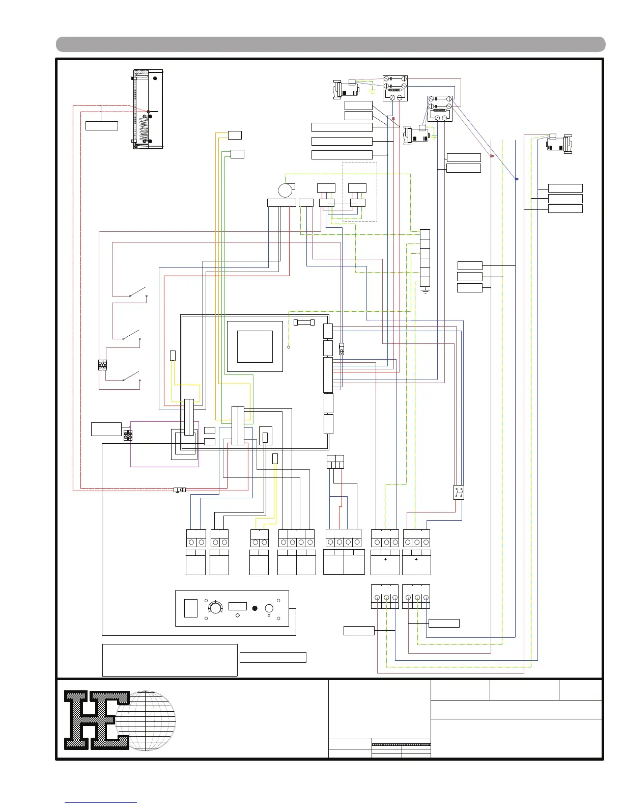
HWH 199-599 HEATER BOILER WIRING DIAGRAM WITH 3 PUMPS
Pump P1 L
Low Water
Cut Off
Pump P1 L
K9
K9
On/Off
K2
208 - 240 VAC
-+
L LL
+-
SETPOINT
TEMPERATURE
BURNER ON
RESET
SERVICE
60 Hz,
208-240 VAC
L
Sensor
External
Pump
Printed Circuit Board FMT914
Outlet sensor
Inlet sensor
Model 599 only
K6
K2
K10
K0
K10
K6
K2
K10
K6K2
K5
K5
K3
K3
K6K10 K2
K7K8K6
K10 K6K2K10 K6K2K0K0K6K6
K0
K1
K2
K3
K4
=white
=yellow
=brown
=green
=gray
=orange
=blue
=red
=black
=purple
K5
K6
K7
K8
K9
K10
K12
K17
K18
K19
=yellow/green
=yellow/white
=blue/white
=red/white
=black/white
3.15 Amp
S1
S2
Switch
fan-2
fan-1
20
19
10
11
12
13
14
15
16
17
18
2
3
4
5
6
7
8
1
9
Gas valve-2
18
17
16
15
14
13
12
11
10 1
9
8
7
6
5
4
3
2
10
9
8
7
4
5
6
2
3
1
4
5
6
2
3
1
1
6
5
4
3
2
fan
654
321
Transformer
Fuse
X 10
X 9
X 8
X5
X 4
X 2
X 1
Gas valve-1
Power Supply
Cascade
Connectio n
153 16 17
20
19
18421
4 3
2
1
X 3
K2 K6
K10
K10
K6K2
65
Thermostat
Central Heat
Room
K1 K1
-+
K4K4
0-10 VDC
7 8 109
Sensor
Outside
K8 K8
15-16-17
18-19-20
Pump P3 L
Pump P3 L
3-way Open to CH
3-way L
3-way Close
K7
K7
Additional
Heat Source
Dry Contact
Dry Contact
Signal
Lock Out
1 22 1
X7
X6
K4K6
13 141211
K6 K7
ST-5
15 16 17 18
19
20
Pump P2 L
Pump P1 G
1
2
K1
Pump P2 L
240v
switched
to Pump
240v
switched
to Pump
CONTROL
WELL
K2K2
K2K2
K2K2
Pressure Switch
Open switch
indicates as H-1
Fixed High Limit
Open switch
indicates as H-1
Water Flow Switch
Open switch
indicates as H-1
ST-1 ST-2
ST-3
ST-4
ST-7ST-6
VST-6 VST-7
A
A
P-1
Boiler Pump
Tank Sensor
Line Voltage
FCD
10/19/06
N.T.S.
EVO duo (HWH 199-599 w/o 3-way)
Wiring Diagram with Heating Options
All Wire Size: AWG 18
Power L
Power G
Power L
34000 Autry
Livonia, MI 48150
PH: (800) 968-5530
Fax: (734) 419-0209
Description:
Dwg. By:
Date: Scale:
Customer:
HAMILTON
ENGINEERING
Dwg.
No.:
Checked.
By:
P-3
Heating Pump
Low Temp
P-2
DHW Indirect Pump
High Temp
Page 42 of 50

Table of Contents