EasyManua.ls Logo

Evo HW 79 - Page 45

Evo HW 79
50 pages
Print Icon
To Next Page IconTo Next Page
To Next Page IconTo Next Page
To Previous Page IconTo Previous Page
To Previous Page IconTo Previous Page
Loading...
34000 Autry Street, Livonia, MI 48150 • 800.968.5530 • Fax 734.419.0209 • www.hamiltonengineering.com • LIT91127 REV 3/09
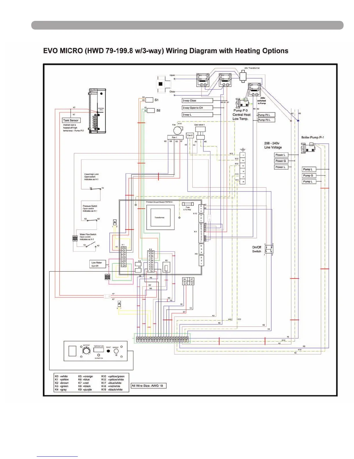
HWH 79-199.1 HEATER BOILER WIRING DIAGRAM WITH DIVERTING VALVE
Page 45 of 50

Table of Contents