EasyManua.ls Logo

EWM Taurus 355 Basic TDM - Notes on the Installation of Welding Current Leads

EWM Taurus 355 Basic TDM
59 pages
Print Icon
To Next Page IconTo Next Page
To Next Page IconTo Next Page
To Previous Page IconTo Previous Page
To Previous Page IconTo Previous Page
Loading...
Design and function
Transport and installation
26
099-005221-EW501
05.09.2016
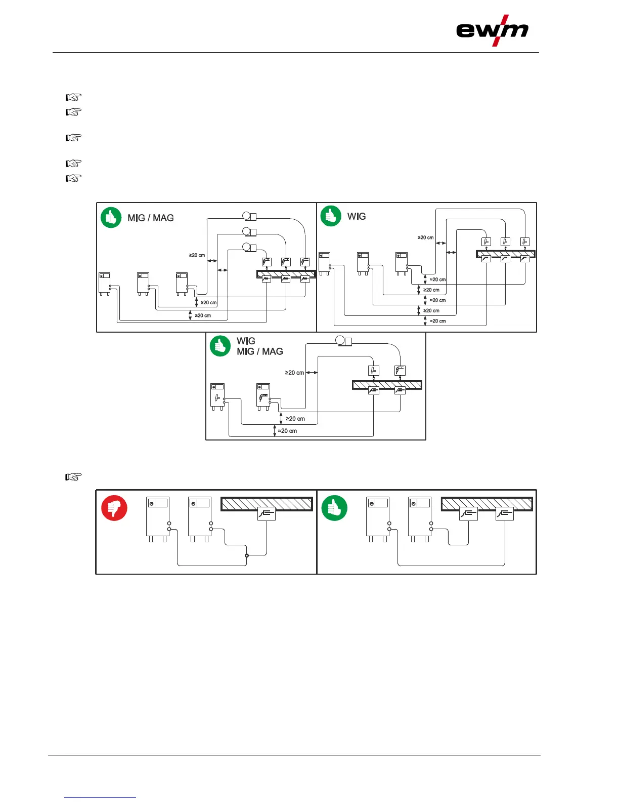
5.1.8 Notes on the installation of welding current leads
Incorrectly installed welding current leads can cause faults in the arc (flickering).
Lay the workpiece lead and hose package of power sources without HF igniter (MIG/MAG) for as
long and as close as possible in parallel.
Lay the workpiece lead and hose package of power sources with HF igniter (TIG) for as long as
possible in parallel with a distance of 20 cm to avoid HF sparkover.
Always keep a distance of at least 20 cm to leads of other power sources to avoid interferences
Always keep leads as short as possible! For optimum welding results max. 30 m (welding lead +
intermediate hose package + torch lead).
Figure 5-5
Use an individual welding lead to the workpiece for each welding machine!
Figure 5-6

Table of Contents

Other manuals for EWM Taurus 355 Basic TDM

Related product manuals