EasyManua.ls Logo

Exmark Quest Lawn Mower - Schematics; Electrical Diagram - Briggs & Stratton

Exmark Quest Lawn Mower
56 pages
Print Icon
To Next Page IconTo Next Page
To Next Page IconTo Next Page
To Previous Page IconTo Previous Page
To Previous Page IconTo Previous Page
Loading...
Schematics
Schematics
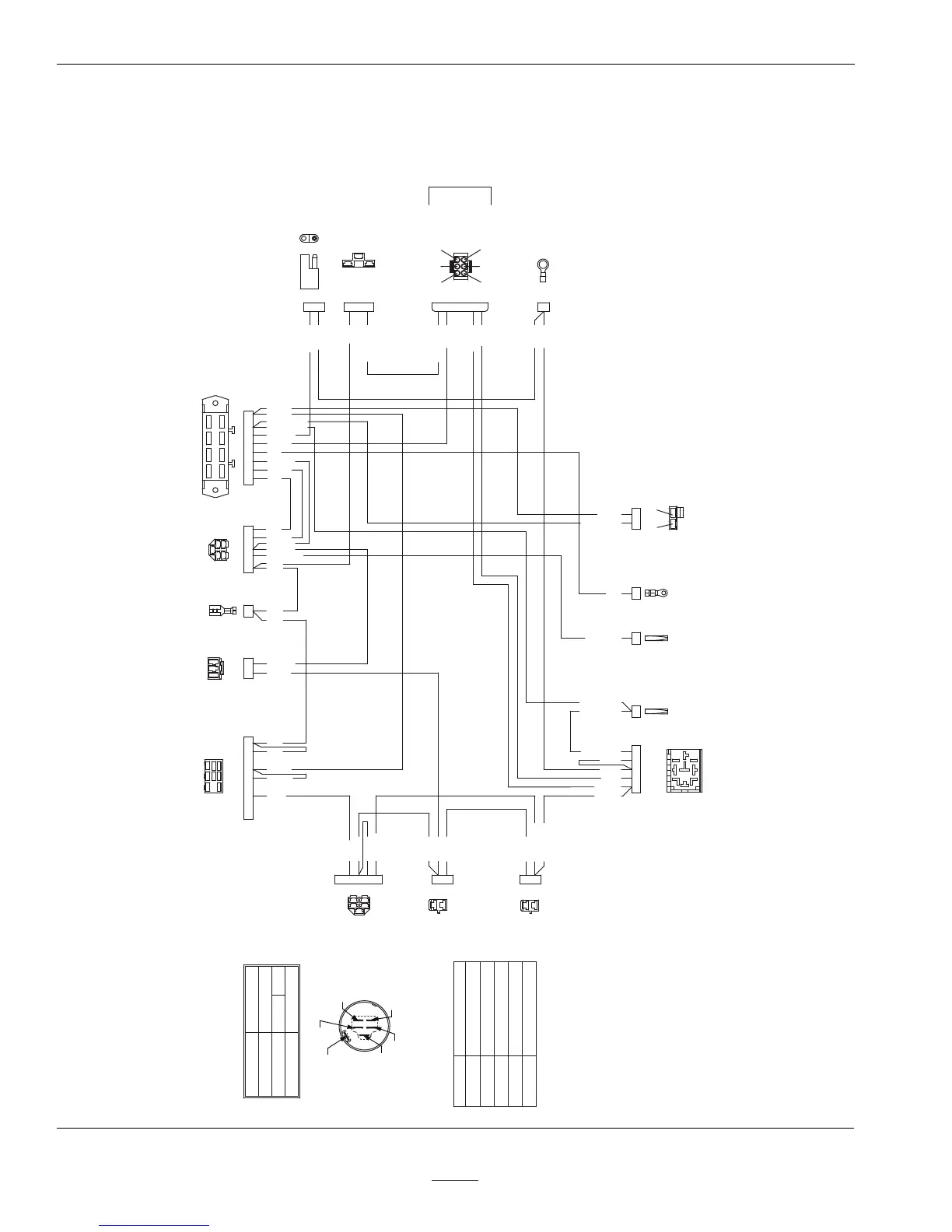
ElectricalDiagram—Briggs&Stratton
TERMINAL I
TERMINAL S
TERMINAL X
TERMINAL Y
TERMINAL B
TERMINAL A
3. START
POSITION
1. OFF
2. RUN
B + I + S
CIRCUIT "MAKE"
X + Y
NONE
B + I + A
IGNITION SWITCH
TERMINAL CONNECTIONS
TERMINAL A  VOLTAGE REGULATOR
TERMINAL B BATTERY
TERMINAL I  HOUR METER, PTO SWITCH
TERMINAL S  SOLENOID
TERMINAL X  SEAT SWITCH, ACCESSORIES
TERMINAL Y  HOUR METER, PTO SWITCH
CONNECTORS VIEWED FROM WIRE END
NOTE:
FUEL SOLENOID
BRAKE
SWITCH
RH
MOTION
CONTROL
LH
MOTION
CONTROL
STARTER LOCKOUT
& KILL RELAY
START
SOLENOID
GROUND
START
SOLENOID
SIGNAL
START
SOLENOID
B+
PTO
CLUTCH
GROUND
ALTERNATOR
OIL SWITCH
HOUR METER
ACCESSORIES
FUSE BLOCK
IGNITION SWITCH
SEAT SWITCH
PTO SWITCH
ORANGE
ORANGE
ORANGE
ORANGE
ORANGE
DARK GREEN
DARK GREEN
BROWN
BROWN
VIOLET
VIOLET
VIOLET
RED
RED
RED
Y S X A B
I
ORANGE
BLACK
PINK
LIGHT BLUE
LIGHT BLUE
PINK
PINK
PINK
PINK
PINK
PINK
DARK BLUE
RED
VIOLET
YELLOW
WHITE
BLACK
BLACK
DARK GREEN
DARK GREEN
DARK GREEN
BROWN
GRAY
BROWN
YELLOW
YELLOW
YELLOW
GREEN
GREEN
VIOLET
VIOLET
VIOLET
VIOLET
GRAY
VILOET
MAGNETO
ENGINE
BROWN
DARK GREEN
2
3
5
4
1
2
1
2
1
42135
1 1 1
AB
1
1
2
3
3 5 7 4 6 8 1 2
2 5 1 3 4
1
2 1
9 8 7 6 5 4 3 2 1
B
A
5
1
4
6
3
2
1
2
3
4
5
2
1
2 1
4
9 8 7
3
1
2
2
1
1
2
3
4
5
B
A
4
5
6
1
2
3
1
2
3
A
B
1
2
3
4
5
6
7
8
1
2
3
4
5
BLACK
BLACK
YELLOW
WHITE
YELLOW
DARK BLUE
G007525
50

Table of Contents

Related product manuals