EasyManua.ls Logo

Faraone ZP8 - Page 86

Faraone ZP8
92 pages
Print Icon
To Next Page IconTo Next Page
To Next Page IconTo Next Page
To Previous Page IconTo Previous Page
To Previous Page IconTo Previous Page
Loading...
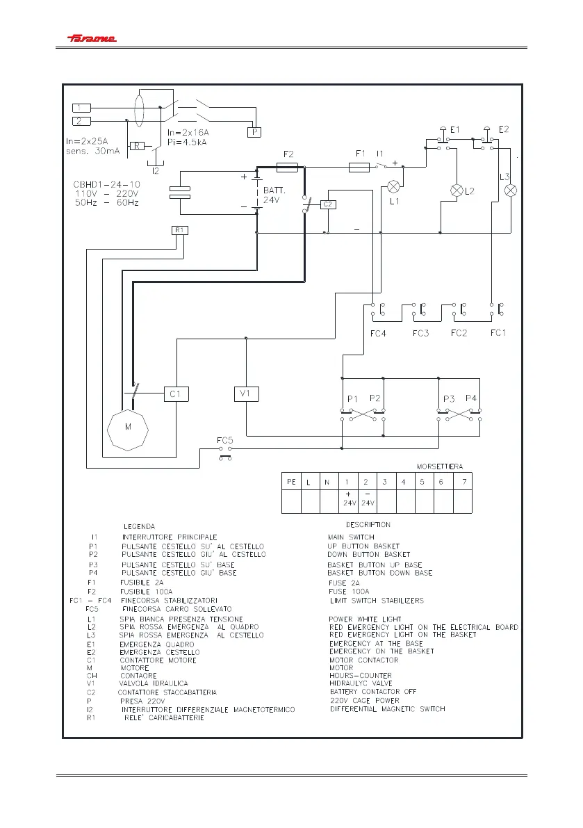
USE AND MAINTENANCE MANUAL - SECTION 9
AERIAL PLATFORM ZP Rev. 05_2018
Page 9-9

Table of Contents