EasyManua.ls Logo

Fayat Group Dynapac SD2500C - Mounting the outer auger bearing

Fayat Group Dynapac SD2500C
588 pages
Print Icon
To Next Page IconTo Next Page
To Next Page IconTo Next Page
To Previous Page IconTo Previous Page
To Previous Page IconTo Previous Page
Loading...
E 10 8
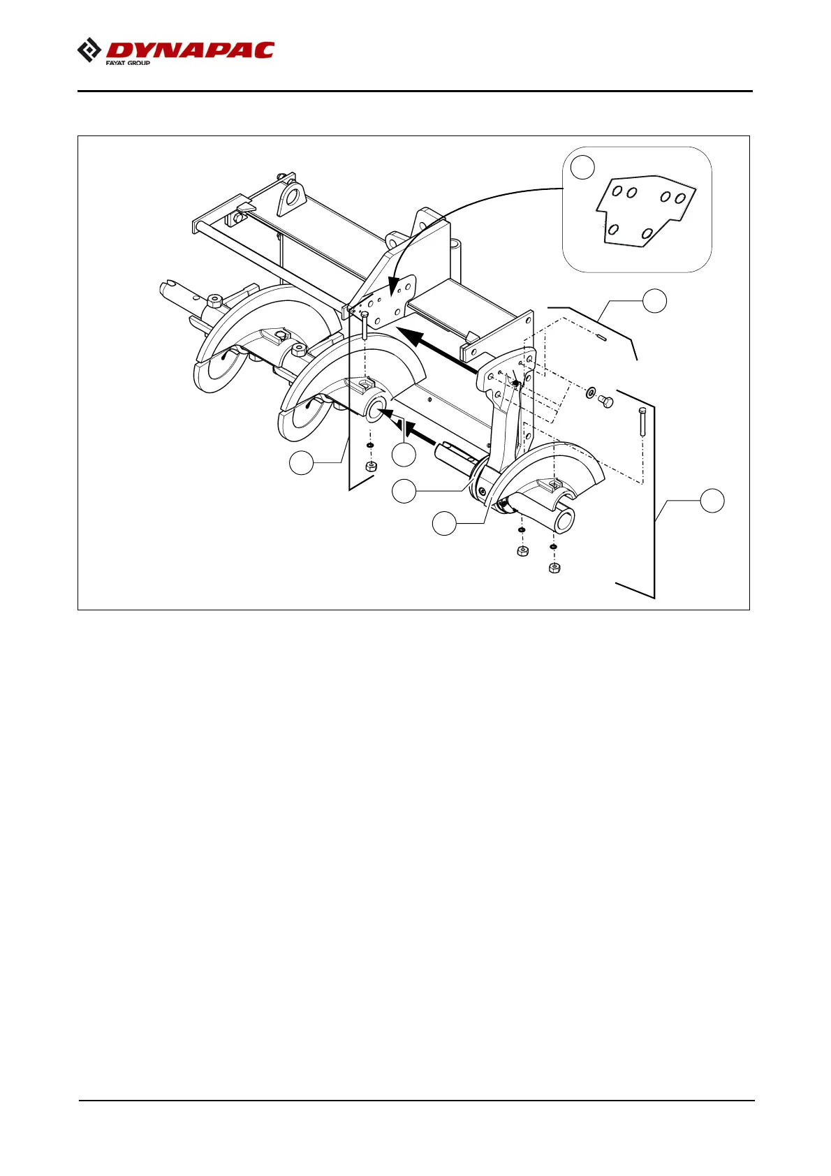
Mounting the outer auger bearing
- Dismantle the assembly parts (1) of the adjacent auger blade, remove plug (2).
- Insert the outer auger bearing (3) into the auger extension.
- Secure the outer auger bearing to the brace shaft with the relevant assembly parts
(4) (bolts, washers, pins).
A
If necessary, insert fitted plates (5)!
- Reinstall the previously removed assembly parts (1) and simultaneously tighten the
auger shaft and bearing shaft bolts.
- Mount the auger half (5) on the outer side of the bearing with the relevant assembly
parts (6) (bolts, washers, nuts).
- Insert the plug (2) at the end of the auger.
4
1
6
7
2
3
5

Table of Contents

Related product manuals