EasyManua.ls Logo

FG Wilson PowerWizard 1.1+ - Electrical Connections

FG Wilson PowerWizard 1.1+
49 pages
Print Icon
To Next Page IconTo Next Page
To Next Page IconTo Next Page
To Previous Page IconTo Previous Page
To Previous Page IconTo Previous Page
Loading...
16
4.2 Location Considerations
When selecting a location for mounting the PowerWizard generating set control, consider the following:
Protection from high-voltage and high-current devices•
Protection from devices which may produce electromagnetic interference•
Protection from excessive vibration. The controls are designed to withstand normal generating set vibrations. The controls •
should not be mounted directly to the engine block.
Protection from direct exposure to water. Once installed, the Powerwizard controls are sealed to a level of IP Level 22 for •
resistance to moisture.
The continuous operating range of the PowerWizard generating set controls is -20 to +70 °C ambient.•
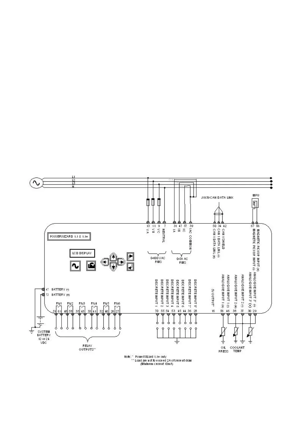
4.3 Electrical Connections
The PowerWizard control has one 70-pin connector on the back of the control. Not all 70 pins are used. The following diagrams
show what pins are used and what each pin should be connected to for each version of the control.
Figures 6 and 7 are shown with all possible connections used. For Electronic Engines (EUI), the passive analogue input numbers
1 and 2 will not be used. These are for oil pressure and coolant temperature respectively. On EUI engines, those sensors will be
wired to the engine ECM and the PowerWizard will get that information from the engine ECM via the Primary J1939 Data Link.
The method used for the analogue inputs is 1-wire sensors as shown in the diagram.
The discrete inputs are shown connected through normally open contacts to battery negative. These inputs can also be
connected through normally closed contacts to battery negative. In order to do this the active state of the input will need to be
set to active high.
Figure 6: PowerWizard1.1 & 1.1+ Control Electrical Connections

Table of Contents

Related product manuals