EasyManua.ls Logo

Fimar FME/4 - Page 258

Fimar FME/4
Print Icon
To Next Page IconTo Next Page
To Next Page IconTo Next Page
To Previous Page IconTo Previous Page
To Previous Page IconTo Previous Page
Loading...
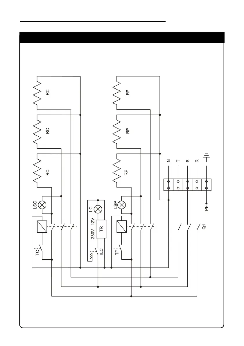
SCHEMA ELETTRICO
ELECTRIC DIAGRAM
FML/4 - FML/6 - FMLW/6 - FML/9 (400V - 3 Phase)
IDM-34601503300.pdf

Table of Contents

Related product manuals