EasyManua.ls Logo

Fimar FME/4 - Page 265

Fimar FME/4
Print Icon
To Next Page IconTo Next Page
To Next Page IconTo Next Page
To Previous Page IconTo Previous Page
To Previous Page IconTo Previous Page
Loading...
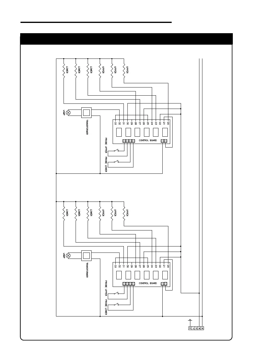
FMD/4+4 - FMD/6+6 - FMDW/6+6 - FMD/9+9 (230V - 1 Phase)
IDM-34601504000.pdf
SCHEMA ELETTRICO
ELECTRIC DIAGRAM

Table of Contents

Related product manuals