EasyManua.ls Logo

Fimar FME/4 - Page 270

Fimar FME/4
Print Icon
To Next Page IconTo Next Page
To Next Page IconTo Next Page
To Previous Page IconTo Previous Page
To Previous Page IconTo Previous Page
Loading...
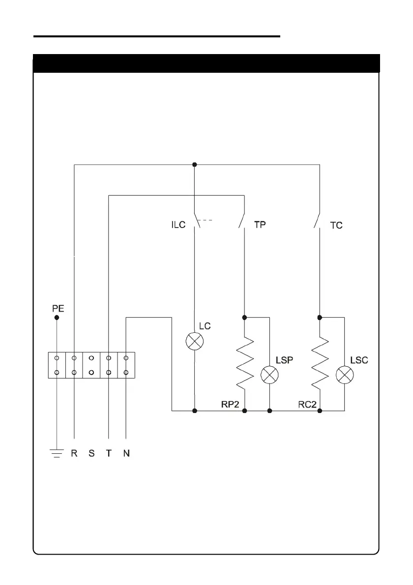
FES/4 - FES/6 (400V - 3 Phase)
IDM-34601504500.pdf
SCHEMA ELETTRICO
ELECTRIC DIAGRAM

Table of Contents

Related product manuals