EasyManua.ls Logo

Fimar FME/4 - Page 275

Fimar FME/4
Print Icon
To Next Page IconTo Next Page
To Next Page IconTo Next Page
To Previous Page IconTo Previous Page
To Previous Page IconTo Previous Page
Loading...
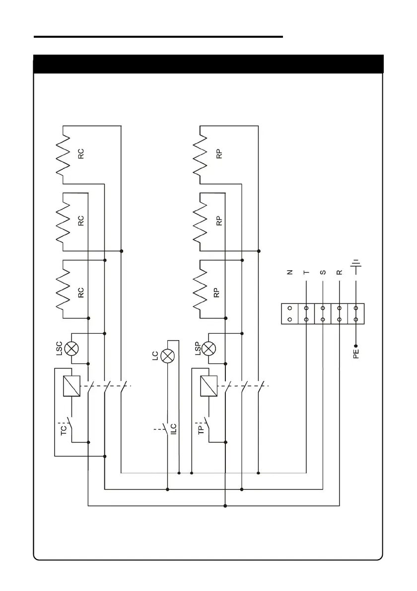
FYL/4 - FYL/6 (230V - 3 Phase)
IDM-34601505000.pdf
SCHEMA ELETTRICO
ELECTRIC DIAGRAM

Table of Contents

Related product manuals