EasyManua.ls Logo

Fimar FME/4 - Page 277

Fimar FME/4
Print Icon
To Next Page IconTo Next Page
To Next Page IconTo Next Page
To Previous Page IconTo Previous Page
To Previous Page IconTo Previous Page
Loading...
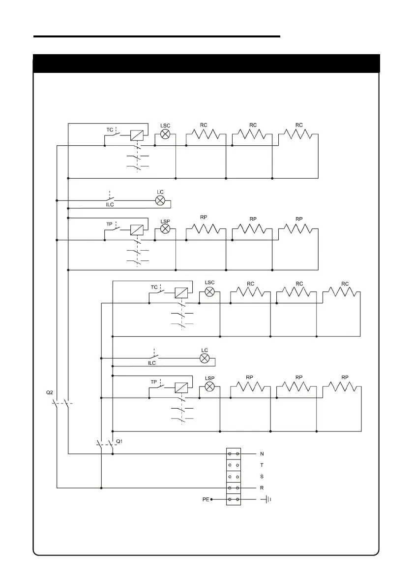
FYL/4+4 - FYL/6+6 (230V - 1 Phase)
IDM-34601505200.pdf
SCHEMA ELETTRICO
ELECTRIC DIAGRAM

Table of Contents

Related product manuals