EasyManua.ls Logo

Fimar FME/4 - Page 287

Fimar FME/4
Print Icon
To Next Page IconTo Next Page
To Next Page IconTo Next Page
To Previous Page IconTo Previous Page
To Previous Page IconTo Previous Page
Loading...
FGI/4 - FGI/6 - FGI/9
IDM-34601506200.pdf
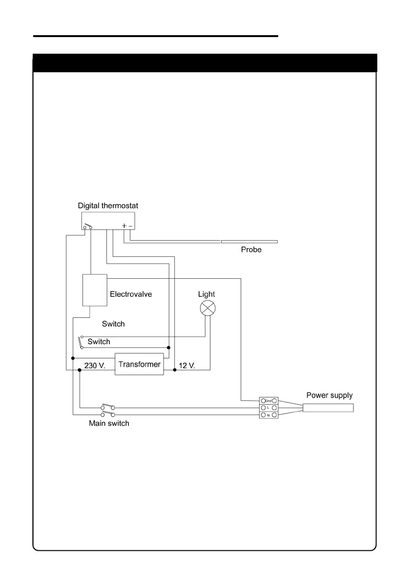
SCHEMA ELETTRICO
ELECTRIC DIAGRAM

Table of Contents

Related product manuals