EasyManua.ls Logo

Fly Sky FS-IT4S - Receiver and Servo Connections; Installation with Motor Controller; Installation for Gas Powered Models

Fly Sky FS-IT4S
46 pages
Print Icon
To Next Page IconTo Next Page
To Next Page IconTo Next Page
To Previous Page IconTo Previous Page
To Previous Page IconTo Previous Page
Loading...
와 서보 의 연
터 모과 연결 설
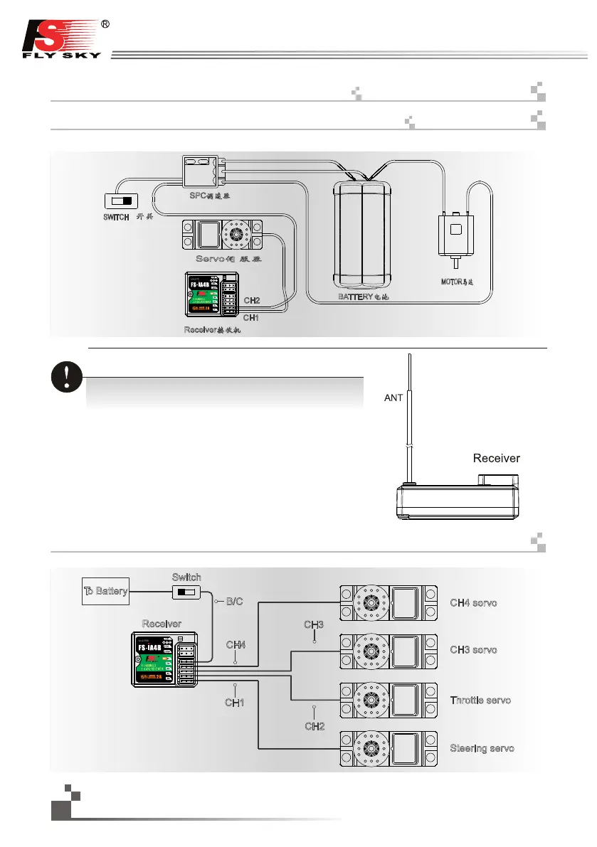
Remark: to guarantee a long range, place the antenna of
the receiver vertically away from any metal part.
의: 원격 거를 확보 하기 위해 수나 를 수
워 주고. 금과 멀리 해
9.02.
Installationforgaspoweredmodels:
진 모델 의 설
http://www.flysky-cn.com
10
위치
기 서
위치
9.Receiverandservoconnections
9.01.Installation when a motor controller is used:

Table of Contents

Related product manuals