EasyManua.ls Logo

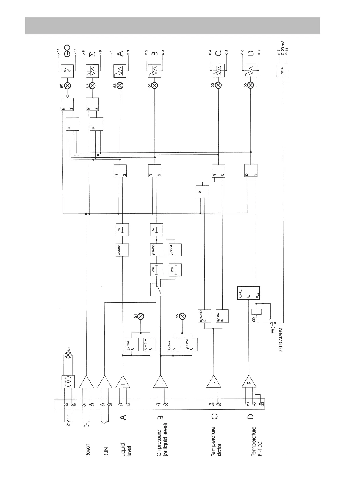
FLYGT CAS - Scheme of Functions

FLYGT CAS
64 pages
Print Icon
To Next Page IconTo Next Page
To Next Page IconTo Next Page
To Previous Page IconTo Previous Page
To Previous Page IconTo Previous Page
Loading...
12
SCHEME OF FUNCTIONS

Related product manuals