EasyManua.ls Logo

FLYGT CAS - Funktionsschema

FLYGT CAS
64 pages
Print Icon
To Next Page IconTo Next Page
To Next Page IconTo Next Page
To Previous Page IconTo Previous Page
To Previous Page IconTo Previous Page
Loading...
32
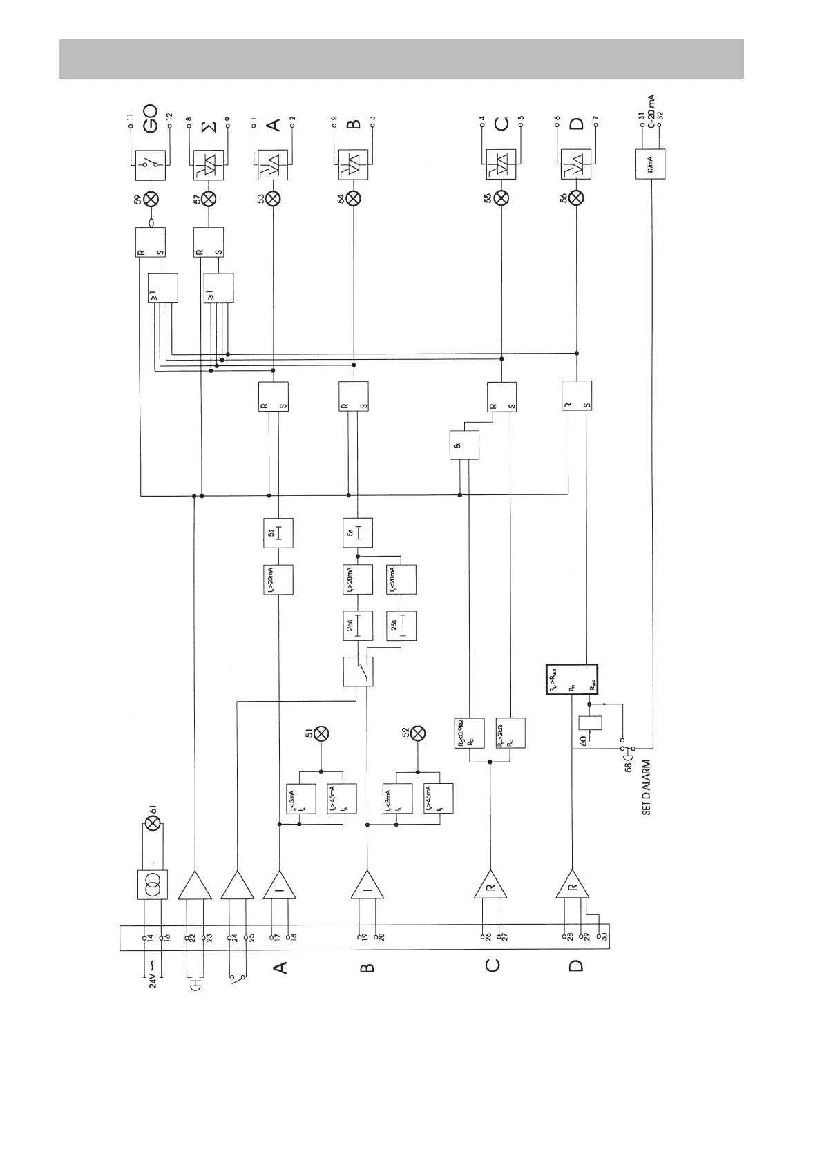
FUNKTIONSSCHEMA
Temperatur-
überwachung
Kugellager
(Pt-100)
Rück-
stellung
RUN
Flüssigkeits-
stand
Öldruck
(oder Flüssig-
keitsstand)
Temperatur-
überwachung
Stator

Related product manuals