EasyManua.ls Logo

FLYGT CAS - Esquema de Funciones

FLYGT CAS
64 pages
Print Icon
To Next Page IconTo Next Page
To Next Page IconTo Next Page
To Previous Page IconTo Previous Page
To Previous Page IconTo Previous Page
Loading...
52
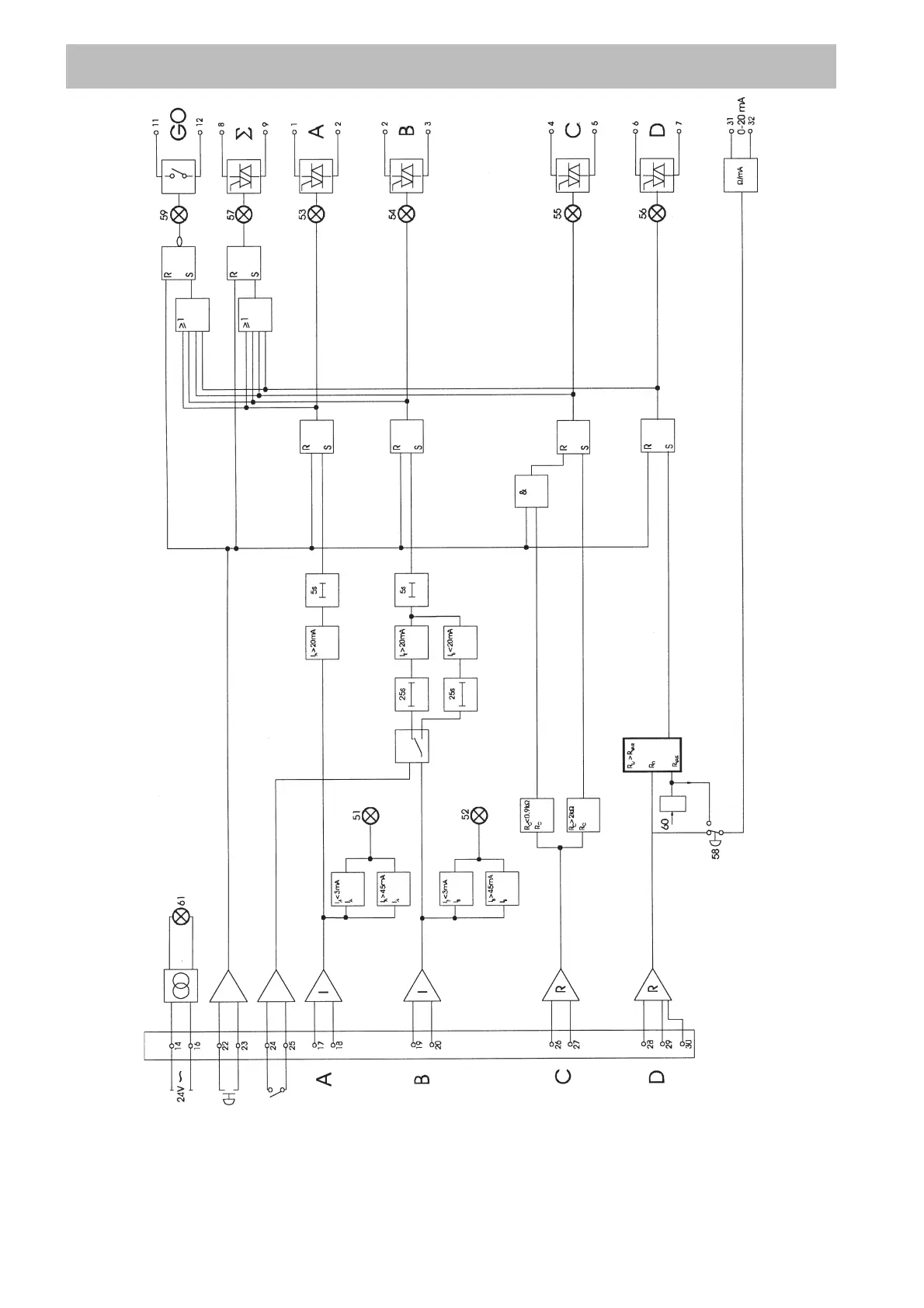
ESQUEMA DE FUNCIONES
Reposición
RUN
(Funcionamiento)
Nivel
de líquido
Presión
de aceite
(o nivel de
líquido)
Temperatura
estator
Temperatura
Pt-100
Alarma D ajustada

Related product manuals