EasyManua.ls Logo

FLYGT CAS - Schema Över Funktioner

FLYGT CAS
64 pages
Print Icon
To Next Page IconTo Next Page
To Next Page IconTo Next Page
To Previous Page IconTo Previous Page
To Previous Page IconTo Previous Page
Loading...
22
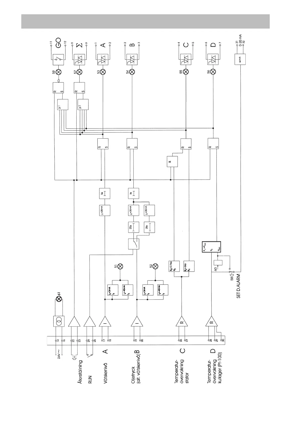
SCHEMA ÖVER FUNKTIONER

Related product manuals