EasyManua.ls Logo

FLYGT CAS - Schéma de Câblage

FLYGT CAS
64 pages
Print Icon
To Next Page IconTo Next Page
To Next Page IconTo Next Page
To Previous Page IconTo Previous Page
To Previous Page IconTo Previous Page
Loading...
42
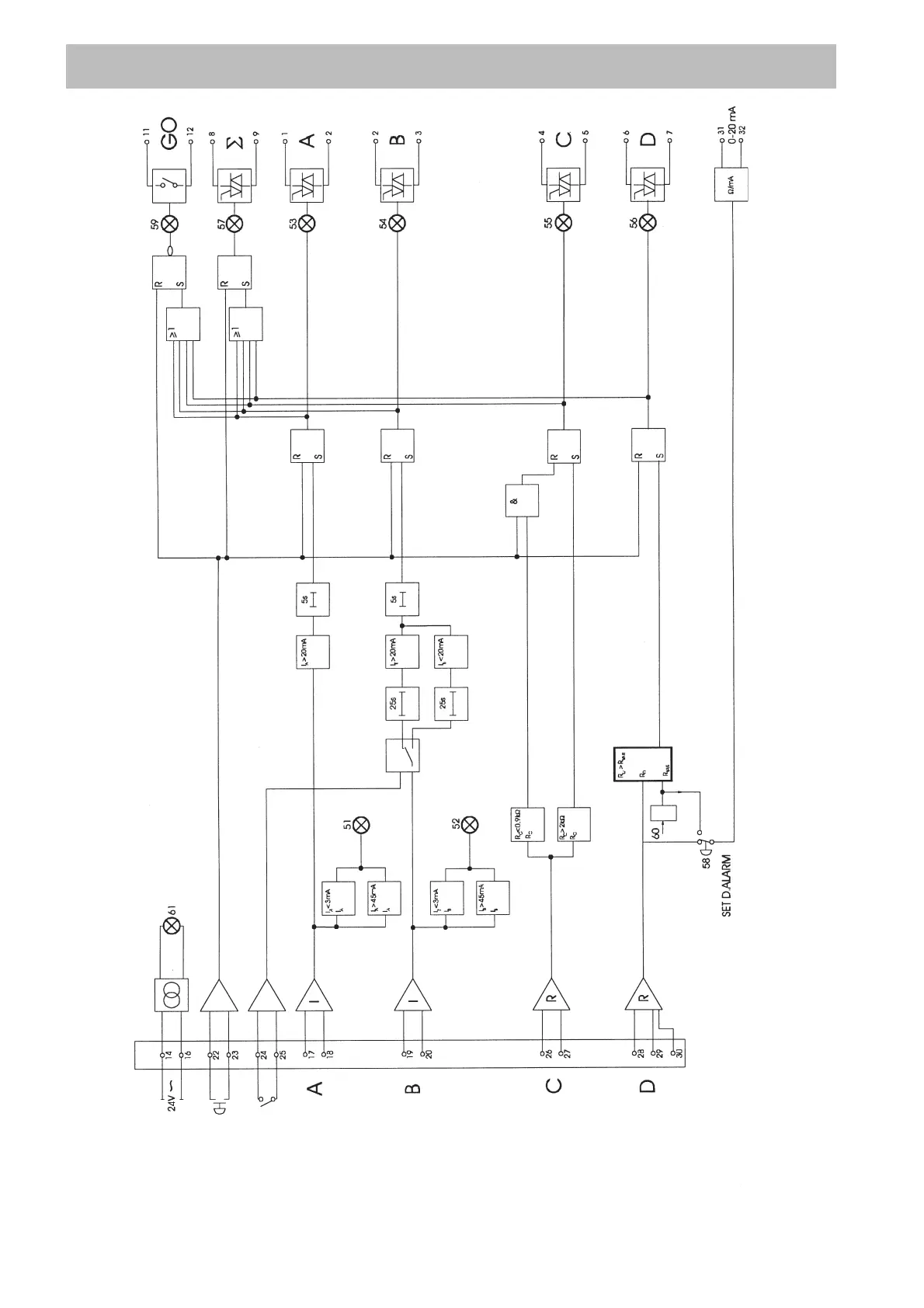
SCHÉMA DE CÂBLAGE
Surveillance
de la tempé-
rature du roule-
ment à billes
(Pt-100)
Réenclen-
chement
RUN
Niveau
du liquide
Pression d’huile
(ou niveau
du liquide)
Surveillance
de la tempé-
rature du stator

Related product manuals