EasyManua.ls Logo

FMC Technologies Sening EPE2 - Schematic Structure MultiFlow

FMC Technologies Sening EPE2
48 pages
Print Icon
To Next Page IconTo Next Page
To Next Page IconTo Next Page
To Previous Page IconTo Previous Page
To Previous Page IconTo Previous Page
Loading...
Sening®
Innovative Tank Truck Systems
EPE2-
Controller for Meter Draining System
EPE2
Installation Manual
MN F08 003 US / DOK-450E Rev. 1.03 / JS / jp / March 2010 9
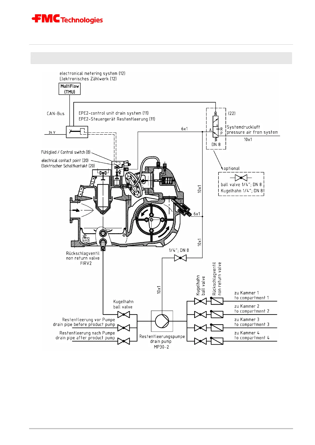
1.4 Schematic Structure of GMVT 805 “MultiFlow residue discharge“
Figure 4: Schematic structure of the device for discharging and refilling
“MultiFlow residue discharge“

Table of Contents

Related product manuals