EasyManua.ls Logo

FoamPRO 2002 Series - Page 37

Default Icon
44 pages
Print Icon
To Next Page IconTo Next Page
To Next Page IconTo Next Page
To Previous Page IconTo Previous Page
To Previous Page IconTo Previous Page
Loading...
37
Installation and Operation Manual
System 2000
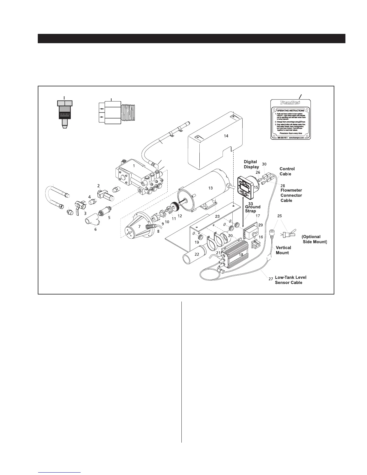
Ref. Part No. Description Qty.
1 2345B-P-08 Foam Pump Assy-2002 1
1 2331B-P-01 Foam Pump Assy-2002HP 1
2 3300-0092 Relief Valve (Inc. brass tee fitting) 1
3 3304-0025 Cal/Inject Valve 1
4 2404-0271 Reducer 1
5 2401-0038 1/2 inch NPT Tee 1
6 3350-0143 Line Strainer (3/4 inch NPT) 1
7 0704-8600A1 Flange Adaptor 1
8 2530-0092 Speed Sensor 1
9 2738-2003 Coupling Body 3/4 inch [19 mm] 1
10 2728-0001 Rubber Disc 1
11 2738-2002 Coupling Body 5/8 inch [16 mm] 1
12 3900-0049 Gear 1
13 2570-0016 Electric Motor (.75 hp; 12 V) 1
13 2570-0017 Electric Motor (.75 hp; 24 V) 1
14 2840-0071 Shield 1
15 2527-0139 Digital Display Control 1
16 2530-0097 Terminal Block 1
17 2527-0031 Diode Block Assembly 1
18 2527-0069 Motor Driver Box (12 V) 1
18 2527-0153 Motor Driver Box (24 V) 1
19 1700-0120 Grommet 1
20 1450-0014 Plastic Cap 1
21 2910-0016 Clamp, Vinyl Coated 2
22 2530-0087 Capacitor (154000uF) 1
Ref. Part No. Description Qty.
23 1510-0086 Mounting Bracket 1
24 2404-0182 Injector Fitting (optional) 1
25 2510-0028 Tank Level Sensor (Vertical) 1
2510-0032 Tank Level Sensor (Side) 1
26 2520-0048 Control Cable (6 ft. [2 m] Lg) 1
2520-0049 Control Cable (12 ft. [3 m] Lg) (Std) 1
2520-0050 Control Cable (20 ft. [5 m] Lg) 1
27 2520-0042 Low-Tank Level Sensor Cable 1
28 2520-0045 Flowmeter Cable (6 ft. [2 m] Lg) 1
2520-0046 Flowmeter Cable 1
(12 ft. [3 m] Lg) (Std)
2520-0047 Flowmeter Cable (20 ft. [5 m] Lg) 1
29 1450-0012 Plastic Terminal Protector 1
30 3430-0351 RFI Kit for Controller (4 pcs) 1
3430-0353 RFI Kit for Flowmeter (4 pcs) 1
31 6032-0012 Placard
32 3320-0055 Check Valve, 1/2 inch 1
33 2520-0107 Ground Strap 1
34 3375-0012 Pulse Hose 1
35 2402-0017 Nipple 1
36 2404-0272 Adapter Fitting 1
37 2900-0049 By-Pass Hose 1
38 2404-0306 Valve Cap, Ported 1
39 2400-0035 Elbow 1
Parts Identification for System 2002
31
32
24
(optional)
34
37
36
35
38
39

Related product manuals