EasyManua.ls Logo

Frigomat KREAM 2.5 E - Page 61

Frigomat KREAM 2.5 E
Print Icon
To Next Page IconTo Next Page
To Next Page IconTo Next Page
To Previous Page IconTo Previous Page
To Previous Page IconTo Previous Page
Loading...
EN
IT
FR
DE
ES
PL
FRIGOMAT KREAM 2.5 E M04.37389 R.2022.03.30 iv
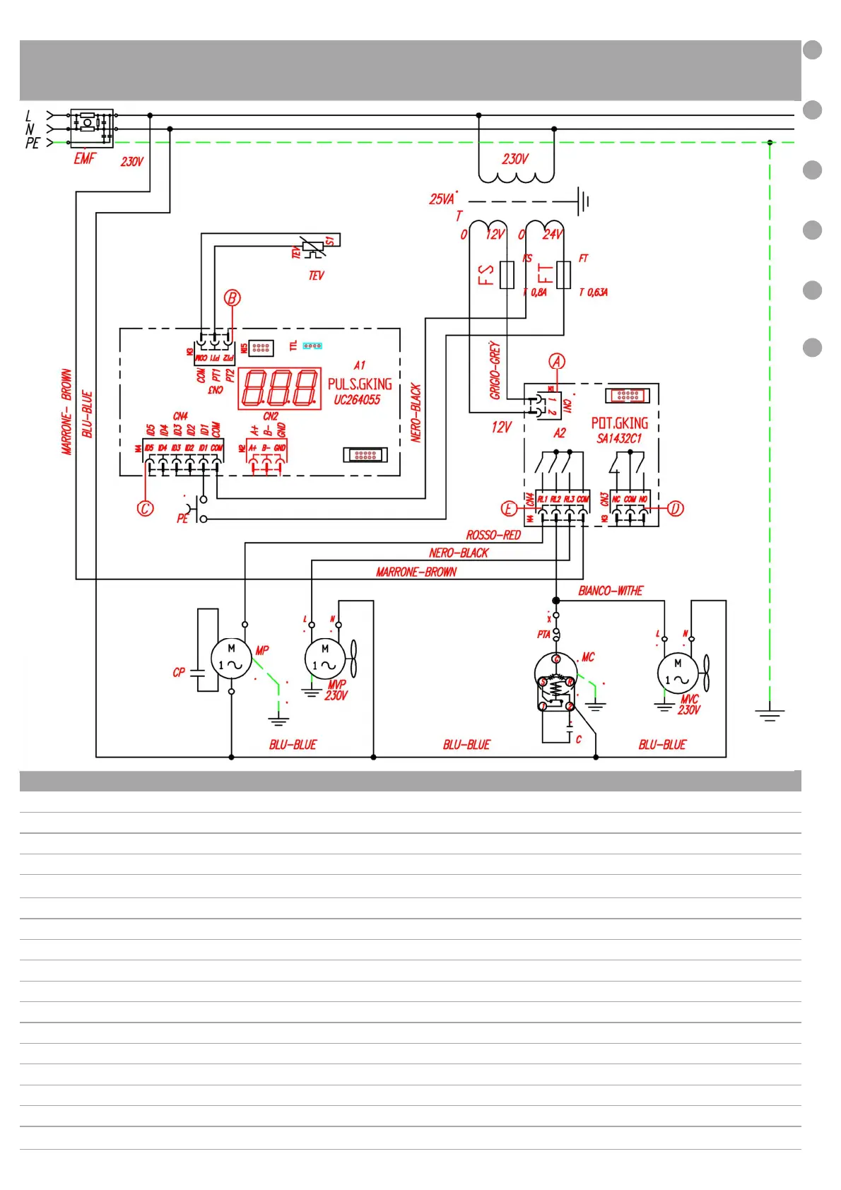
TAV 02 : Schema elettrico ● Electric diagram ● Schéma èlectrique ● Schaltplan ● Esquema electrico
COD. DESCRIZIONE DESCRIPTION
TEV Sonda temperatura vasca Tank temperature probe
T Trasformatore Transformer
PE Pulsante erogazione Erogation pushbutton
MVP Motoventilatore raffreddamento motore pompa Pump fan motor
MP Motore pompa Pump motor
MC Compressore Compressor
FT Fusibile secondario trasformatore 24V Fuse transformer secondary 24V
EMF Filtro EMC EMC Filter
EV Elettrovalvola Solenoid valve
CP Condensatore pompa Pump capacitor
A1 Scheda Pulsantiera KING KING pushbutton
A2 Scheda quadro KING KING main board
- - -
- - -
- - -
MVC Motoventilatore condensa Condenser fan motor
FS Fusibile alimentazione scheda 12V Fuse main board 12V

Table of Contents

Related product manuals