EasyManua.ls Logo

Frontier SB1184 - Snowblower - SB1184

Frontier SB1184
52 pages
Print Icon
To Next Page IconTo Next Page
To Next Page IconTo Next Page
To Previous Page IconTo Previous Page
To Previous Page IconTo Previous Page
Loading...
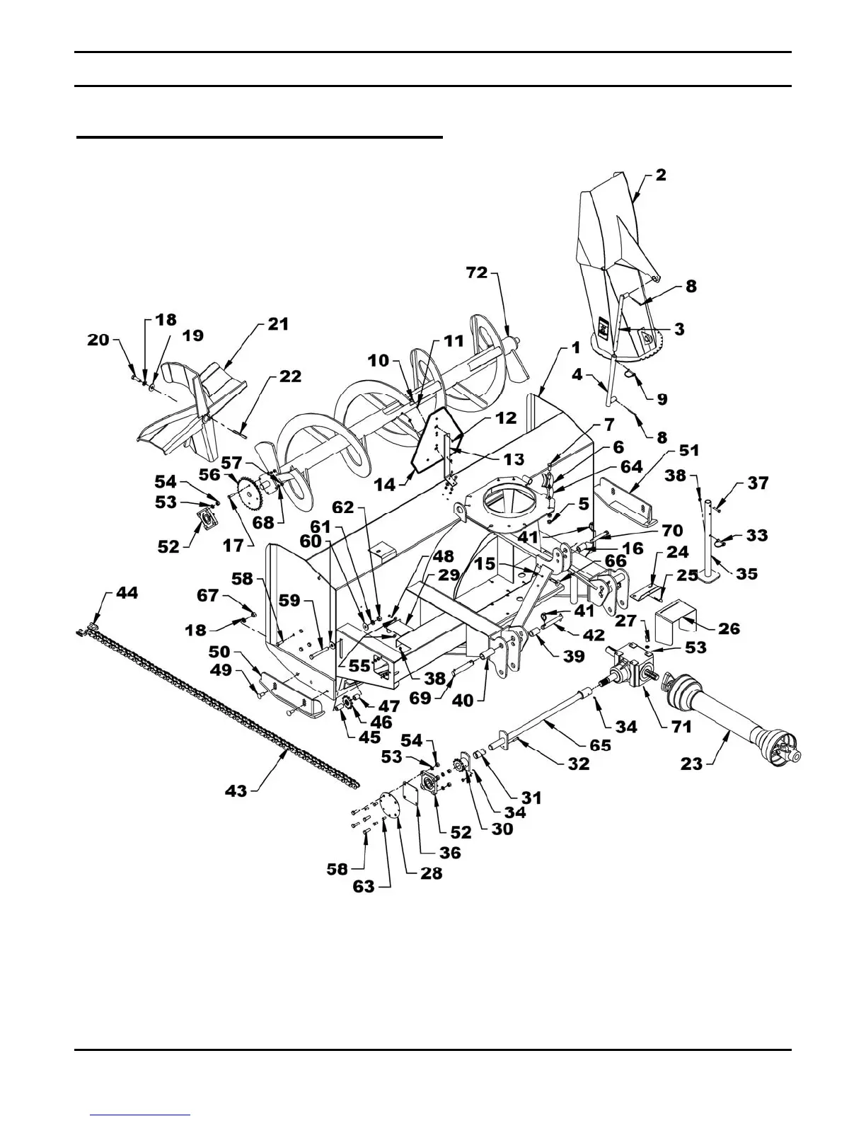
PARTS
OM 0408SB1184-A
39
SNOWBLOWER SB1184 & SB1194

Related product manuals