EasyManua.ls Logo

Frymaster FPRE117 - Wiring Diagram, Basket Lift

Frymaster FPRE117
82 pages
Print Icon
To Next Page IconTo Next Page
To Next Page IconTo Next Page
To Previous Page IconTo Previous Page
To Previous Page IconTo Previous Page
Loading...
7-21
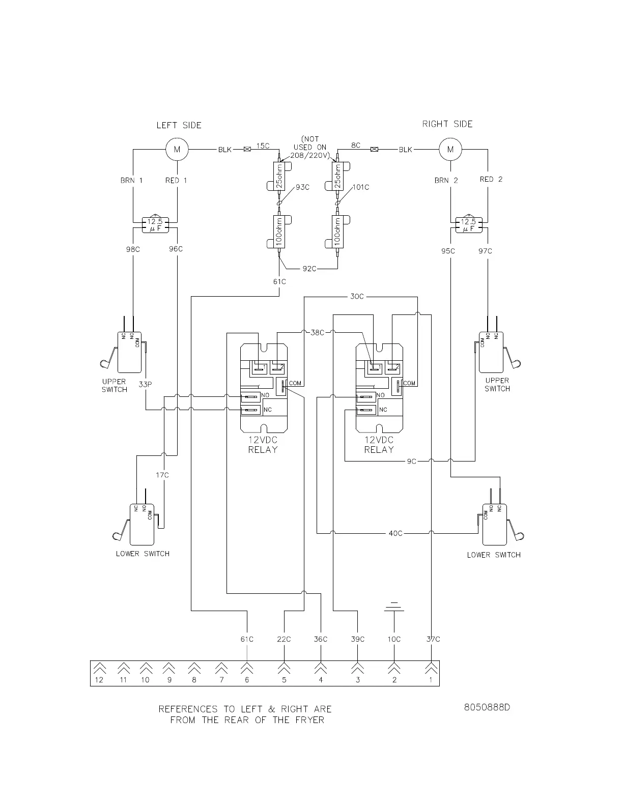
7.19 Wiring Diagram, Basket Lift 208-250V

Table of Contents

Other manuals for Frymaster FPRE117

Related product manuals