EasyManua.ls Logo

Garland ST286-E - Page 35

Garland ST286-E
76 pages
Print Icon
To Next Page IconTo Next Page
To Next Page IconTo Next Page
To Previous Page IconTo Previous Page
To Previous Page IconTo Previous Page
Loading...
Part # 138683 (01/08) Page 35
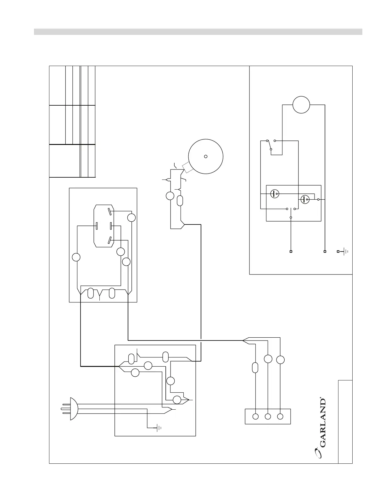
WIRING DIAGRAMS Continued
15c
15b
15a
15b
15c
15a
MODEL
KW (h.p.)
TOTAL LOADING
NOMINAL AMPS
M~
L1
N
E
COOK
COOL
OFF
NO
NC
SWITCH POSITION
DOOR CLOSED
COM
SCHEMATIC
SWITCH BOX
COOK
BLACK
WHITE
MOTOR
COOK/COOL SWITCH
OFF
COOL
NORMALLY CLOSED
NORMALLY OPEN
DOOR SWITCH
COMMON
GREEN
BLACK
WHITE
0.4
(2/3)
3.4
MISSISSAUGA, ONTARIO, CANADA
COMMERCIAL RANGES LIMITED
120 VOLTS, 3.4 AMPS, 1 PHASE
MODEL
H280 1 RC OVEN
11
16
30
11
13
30
16
14
14
13
30
H280 RC
120V
120V
DRAWN APR/17 2006
4521472
:
DWG

Table of Contents

Related product manuals