EasyManua.ls Logo

GE Grid Solutions Multilin 9450 - Page 59

GE Grid Solutions Multilin 9450
152 pages
Print Icon
To Next Page IconTo Next Page
To Next Page IconTo Next Page
To Previous Page IconTo Previous Page
To Previous Page IconTo Previous Page
Loading...
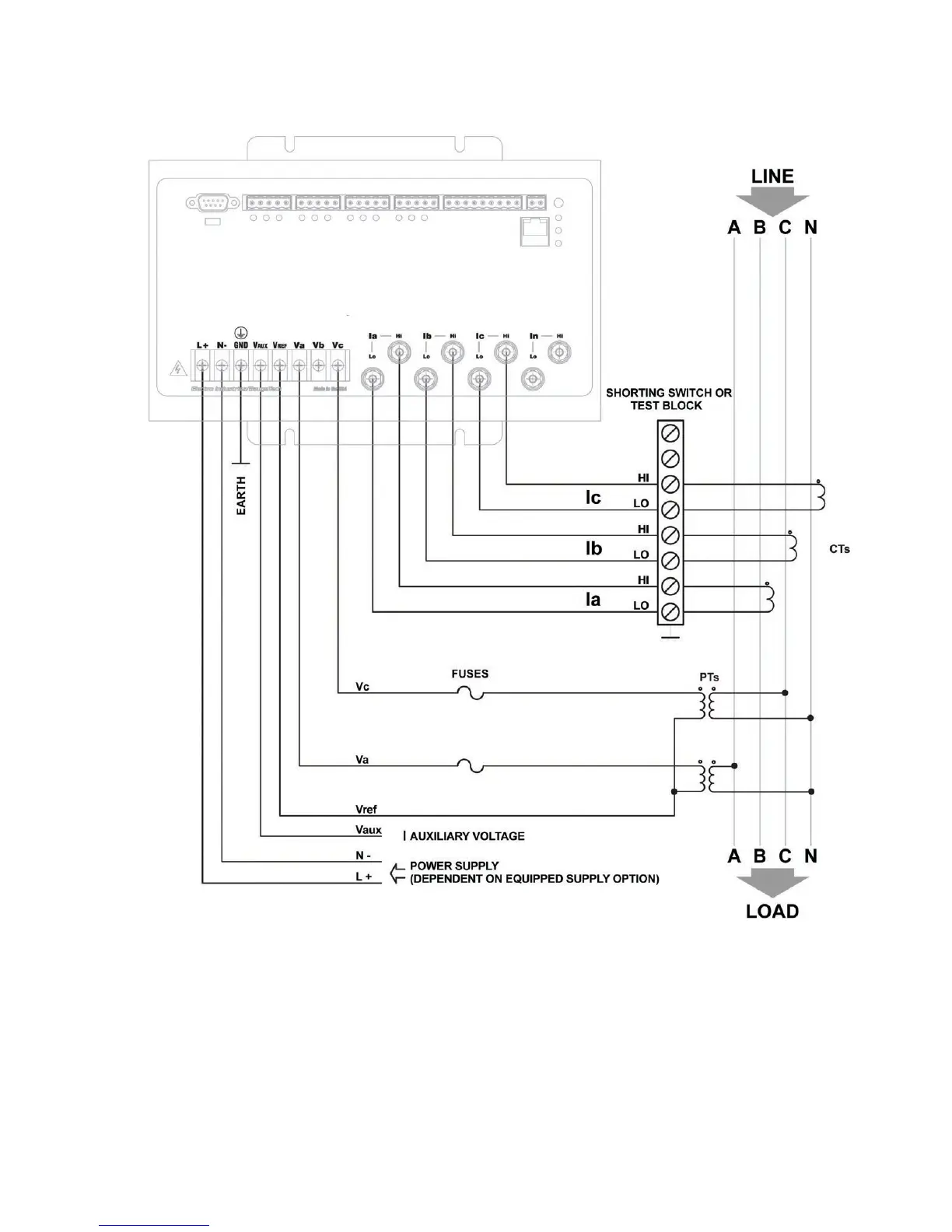
CHAPTER 4: ELECTRICAL INSTALLATION WIRING DIAGRAMS
EPM 9450/9650 ADVANCED POWER QUALITY METERING SYSTEM – INSTRUCTION MANUAL 4–13
Figure 4-8: 3-Phase, 4-Wire, 2.5 Element with 2 PTs and 3 CTs

Table of Contents