EasyManua.ls Logo

GE Multilin 345 - Page 160

GE Multilin 345
254 pages
Print Icon
To Next Page IconTo Next Page
To Next Page IconTo Next Page
To Previous Page IconTo Previous Page
To Previous Page IconTo Previous Page
Loading...
6–44 345 TRANSFORMER PROTECTION SYSTEM – INSTRUCTION MANUAL
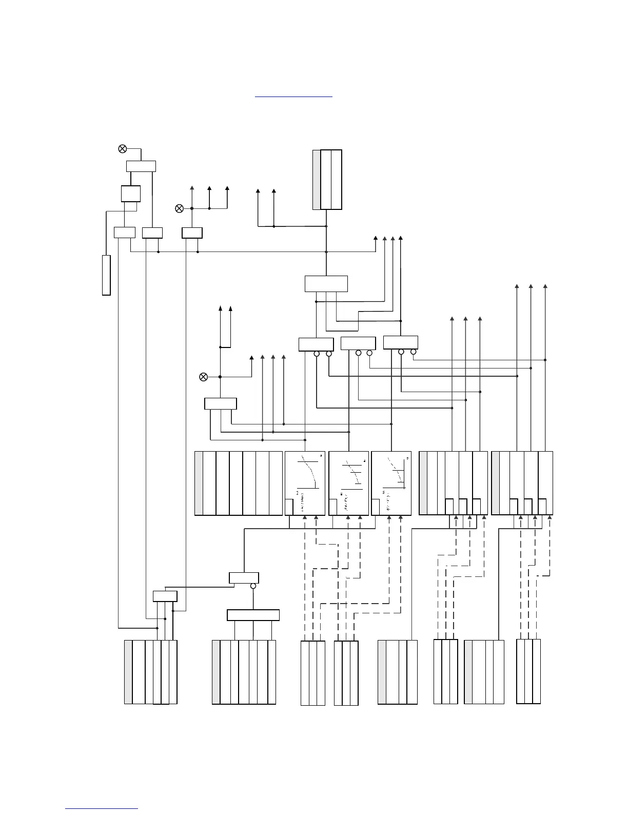
S3 PROTECTION CHAPTER 6: SETPOINTS
BLOCK 1/2/3
For details see Common setpoints
.
Figure 6-20: Percent Differential Protection logic diagram
SETPOINT
Phase A current (IA2d)
SETPOINT
PERCENT DIFF
FUNCTION:
Disabled = 0
Latched Alarm
MINIMUM PICKUP:
AND
Phase B current (IB2d)
Phase C current (IC2d)
Operate Output Relay 1
(W1 BKR TRIP)
LED: ALARM
LED: TRIP
Event Recorder
Transient Recorder
Alarm
OR
OR
Differential 2nd Harmonic
AND
SETPOINT
Do Not Operate, Operate
OUTPUT RELAY X
Trip
AND
SETPOINT
BLOCK 1:
Off = 0
BLOCK 2:
Off = 0
BLOCK 3:
Off = 0
OR
Message
OR
Trip
(To Breaker Failure)
Phase A Diff Current (IAd)
Differential Currents
Restraint Currents
SETPOINT
INRUSH INHIBIT
FUNCTION
Disabled = 0
2nd harmonic
SLOPE 1
BREAKPOINT 1
BREAKPOINT 2
SLOPE 2
INRUSH INHIBIT LEVEL
RUN
RUN
RUN
INRUSH INHIBIT LEVEL
INRUSH INHIBIT MODE
IA2d = LEVEL
SETPOINT
RUN
RUN
SETPOINT
OVEREXCITATION
INHIBIT FUNCTION
Disabled = 0
5th harmonic =1
Phase A current (IA5d)
Phase B current (IB5d)
Phase C current (IC5d)
Differential 5th Harmonic
OVEREXC INHIBIT LEVEL
SETPOINT
RUN
RUN
RUN
AND
AND
AND
PCNT DIFF PH C PKP
Message
Event Recorder
Transient Recorder
LED: PICKUP
OR
RESET
Command
AND
S
R
LATCH
PCNT DIFF PH A OP
PCNT DIFF PH B PKP
PCNT DIFF PH A PKP
PCNT DIFF PKP
RUN
Operate Output Relay 2
(W2 BKR TRIP)
Event Recorder
2ND HMNC DIFF PH A
Event Recorder
Phase B Diff Current (IBd)
Phase C Diff Current (ICd)
Phase A Rest Current (IAr)
Phase B Rest Current (IBr)
Phase C Rest Current (ICr)
IB2d = LEVEL
IC2d = LEVEL
IA5d = LEVEL
IB5d = LEVEL
IC5d = LEVEL
2ND HMNC DIFF PH B
2ND HMNC DIFF PH C
5TH HMNC DIFF PH A
5TH HMNC DIFF PH B
5TH HMNC DIFF PH C
PCNT DIFF PH B OP
PCNT DIFF PH C OP
PCNT DIFF OP
897803A1.cdr

Table of Contents

Related product manuals