EasyManua.ls Logo

GE JB905 - Schematics and Wiring Diagrams

GE JB905
63 pages
Print Icon
To Next Page IconTo Next Page
To Next Page IconTo Next Page
To Previous Page IconTo Previous Page
To Previous Page IconTo Previous Page
Loading...
– 46 –
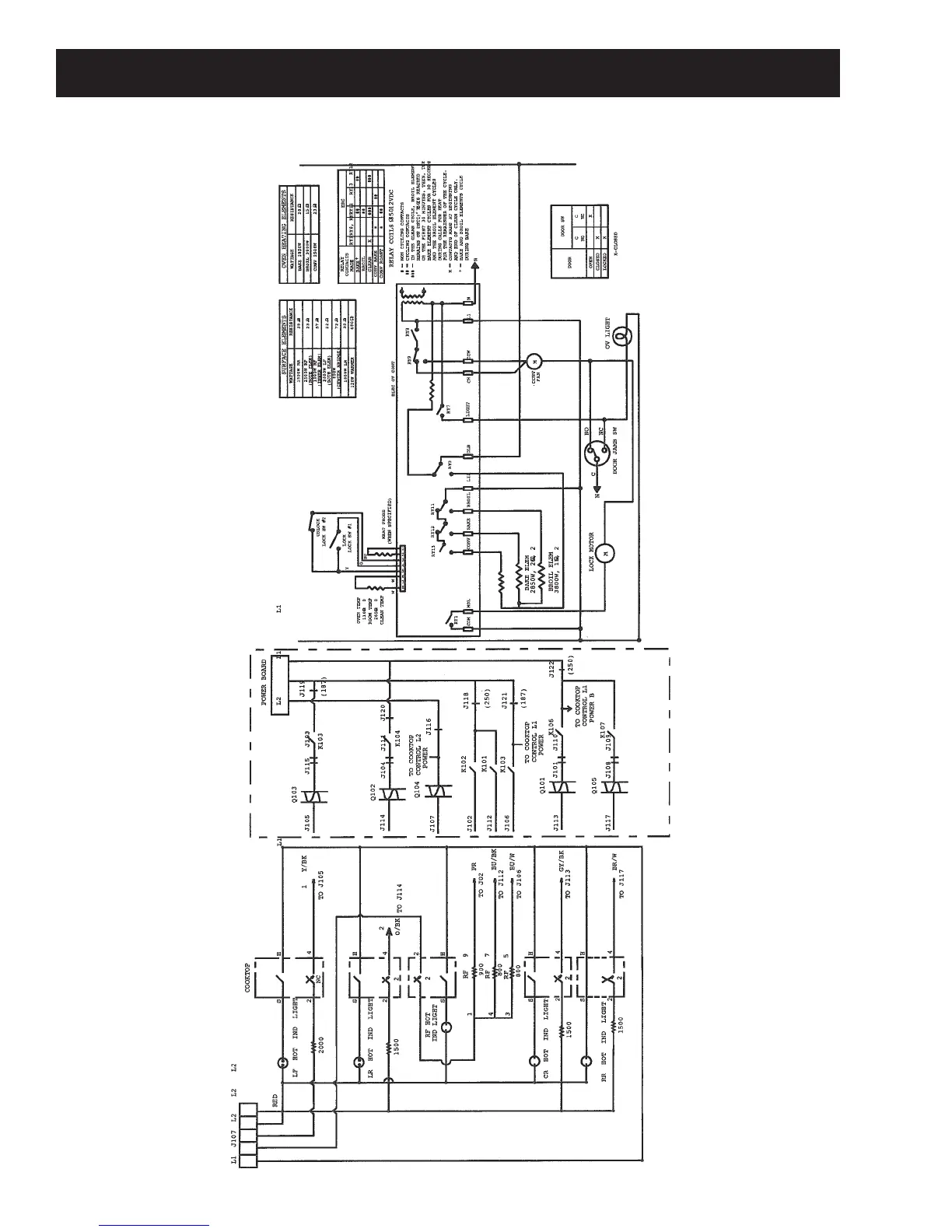
JB988 Schematic
Schematics and Wiring Diagrams

Other manuals for GE JB905

Related product manuals