EasyManua.ls Logo

GE JB905 - Page 59

GE JB905
63 pages
Print Icon
To Next Page IconTo Next Page
To Next Page IconTo Next Page
To Previous Page IconTo Previous Page
To Previous Page IconTo Previous Page
Loading...
– 59 –
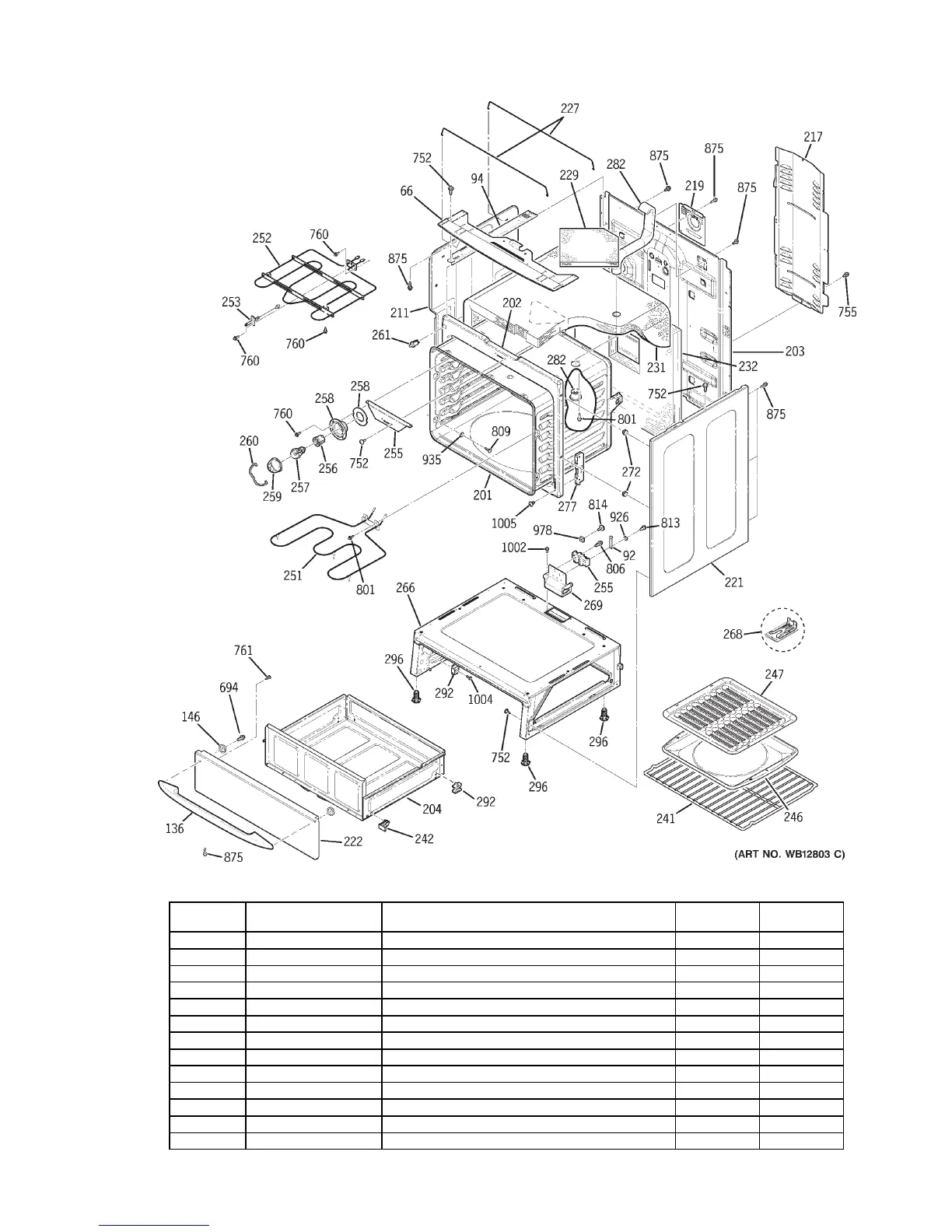
Oven - JB905
VIEW
NUMBER
CATALOG NUMBER DESCRIPTION QUANTITY USED ON
66 WB34T10083 ENCLOSURE RANGETOP 1
92 WB02T10067 GROUND STRAP 1
94 WB02T10132 BRACE CHASSIS (RAD) 1
94 WB02T10133 BRACE CHASSIS (RAD) 1
136 WB15K10039 DRAWER HANDLE (BLK) 1
146 WB02X9037 DOOR HANDLE SPACER-BLACK 6
201 WB63T10046 OVEN BODY 1
202 WB63T10096 FRAME FRONT 1
203 WB63T10047 MAIN BACK 1
204 WB55T10046 STORAGE DRAWER LINING 1
211 WB02T10028 SIDE INSULATION RETAINER 2
217 WB34T10012 BACK COVER 1
219 WB34T10011 RECEPTICLE COVER 1

Other manuals for GE JB905

Related product manuals