EasyManua.ls Logo

gefran ADV200 - References

gefran ADV200
286 pages
Print Icon
To Next Page IconTo Next Page
To Next Page IconTo Next Page
To Previous Page IconTo Previous Page
To Previous Page IconTo Previous Page
Loading...
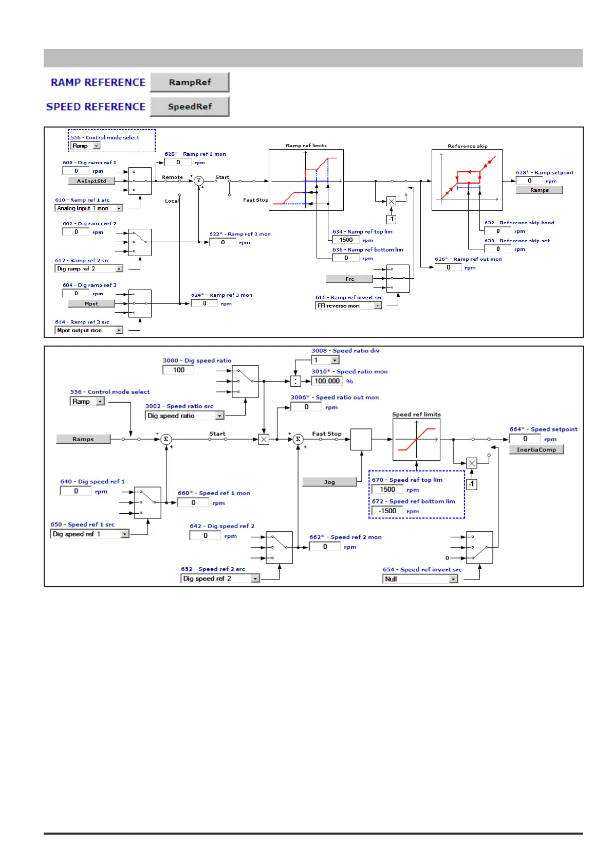
ADV200 Block Diagrams 197
References

Table of Contents

Other manuals for gefran ADV200

Related product manuals