EasyManua.ls Logo

gefran ADV200 - 21 Fv Parameters

gefran ADV200
286 pages
Print Icon
To Next Page IconTo Next Page
To Next Page IconTo Next Page
To Previous Page IconTo Previous Page
To Previous Page IconTo Previous Page
Loading...
100 ADV200 Functions description and parameters list
21–FVPARAMETERS
Menu PAR Description UM Type FB BIT Def Min Max Acc Mod
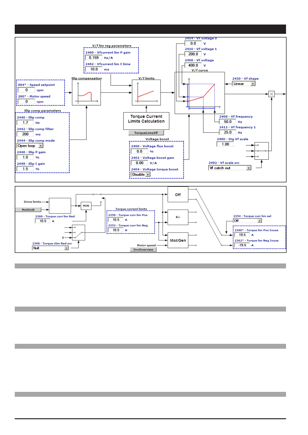
21.1 2400Voltagefluxboost perc FLOAT 0.0 0.0 15.0 RWS V
Setting of the boost voltage. The resistive impedance of the stator windings causes a voltage drop within the
motor, which results in a reduction in torque in the lower speed range. This effect can be compensated by
boosting the output voltage. If self-tuning is performed, the boost value is calculated automatically.
Menu PAR Description UM Type FB BIT Def Min Max Acc Mod
21.2 2402Voltageboostgain V/A FLOAT 0.0 0.0 0.0 ERWS V
Manual setting of the voltage boost gain to apply to the motor terminals for the set V/f characteristic curve. If
self-tuning is performed, the boost value is calculated automatically.
Menu PAR Description UM Type FB BIT Def Min Max Acc Mod
21.3 2404Voltagetorqueboost ENUM Disable 0 1 ERWZ V
Enables vector torque compensation. The default drive setting is to pure V/f control.
0 Disable
1 Enable
Menu PAR Description UM Type FB BIT Def Min Max Acc Mod
21.4 2406Vfvoltage V FLOAT CALCF 10.0 690.0
ERWZS
V
Setting of the maximum voltage value to be applied at the motor terminals (usually set according to the motor data plate).

Table of Contents

Other manuals for gefran ADV200

Related product manuals