EasyManua.ls Logo

gefran ADV200 - 15 Analog Outputs

gefran ADV200
286 pages
Print Icon
To Next Page IconTo Next Page
To Next Page IconTo Next Page
To Previous Page IconTo Previous Page
To Previous Page IconTo Previous Page
Loading...
ADV200 Functions description and parameters list 71
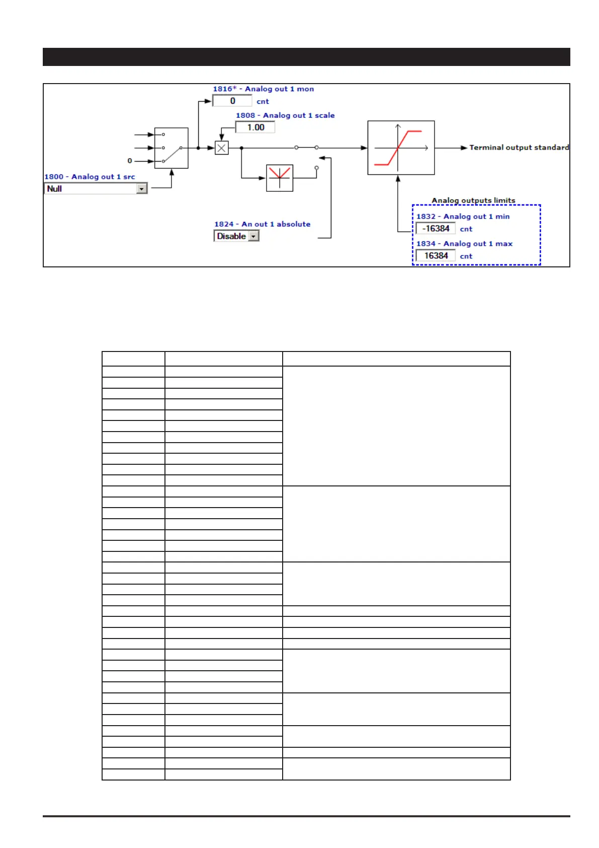
15–ANALOGOUTPUTS
On the AVD regulation card there are two programmable analog outputs.
Analog output 1 supplies a two-pole +/-10VDC voltage signal, while analog output 2 can be programmed to obtain a
0-20mA or 4-20mA output signal in current or a signal in two-pole +/-10VDC voltage, depending on the parameter assigned.
Table: value of the signal of the analog outputs according to the measurement used
PAR Description Fullscaleoutput
626 Ramp ref out mon
10V = Full scale speed (Par 680)
628 Ramp setpoint
760 Ramp out mon
664 Speed setpoint
260 Motor speed
262 Motor speed nofilter
2150 Encoder 1 speed
852 Multi ref out mon
870 Mpot setpoint
894 Mpot output mon
920 Jog output mon
250 Output current
10V = 200% CT drive rated current (this value can be found
in the manual and is defined @400Vac, default switching
frequency and 40°C)
280 Torque current ref
282 Magnet current ref
284 Torque current
286 Magnet current
2360 Torque lim Pos Inuse
2362 Torque lim Neg Inuse
2386 Torque ref
10V = 200% Nominal motor torque
2388 Torque ref nofilter
3070 Droop out mon
3104 Inertia comp mon
252 Output voltage 10V = 200% Mains voltage (Par 560)
254 Output frequency 10V = 1000Hz
270 DC link voltage 10V = 7000V
3006 Speed ratio out mon 10V = 100%
1500 Analog input 1 mon
10V = 10V Analog input
1550 Analog input 2 mon
1600 Analog input 1X mon
1650 Analog input 2X mon
368 Drive overload accum
5V = 100% Accumulator3212 Motor overload accum
3260 Bres overload accum
2232 Spd reg P gain Inuse
10V = 400%
2234 Spd reg I gain Inuse
3446 Powerloss nextratio 10V = 50%
4024 … 4174 Fieldbus M->SX mon
10V = 16384 * 2^16
3700 … 3730 Pad X

Table of Contents

Other manuals for gefran ADV200

Related product manuals