EasyManua.ls Logo

gefran ADV200 - 6 Ramps

gefran ADV200
286 pages
Print Icon
To Next Page IconTo Next Page
To Next Page IconTo Next Page
To Previous Page IconTo Previous Page
To Previous Page IconTo Previous Page
Loading...
ADV200 Functions description and parameters list 29
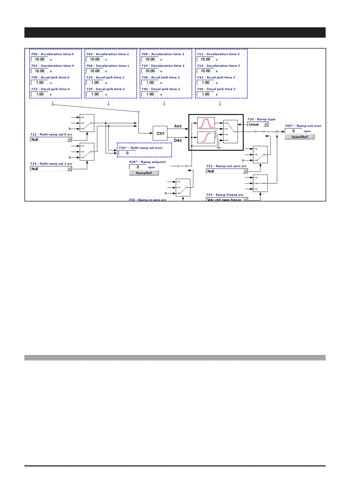
6–RAMPS
The ramp (reference integrator) determines the acceleration and deceleration times of the drive. Times can be set
independently.
The ramp times of Fast stop command are set on Accelerationtime3 and Decelerationtime3. The command can
be enabled from the terminal strip..
The ramp can be linear or S-shaped, as preferred.
The references can be set in different ways:
- with the Ramp ref 1 and / or Ramp ref 2 references
- with the Multi speed function
- with the Motor potentiometer function
- with the Jog function
The ramp generator can be used in the “stand alone” mode. When disabled (Ramptype=Off), the “Enable drive,
Start/Stop and Fast stop” commands do not affect the ramp generator. In this condition the ramp generator can be
used separately.
Menu PAR Description UM Type FB BIT Def Min Max Acc Mod
6.1 700 Accelerationtime0 s FLOAT 10.00 0.01 1000.00 RW FVS
6.2 702 Decelerationtime0 s FLOAT 10.00 0.01 1000.00 RW FVS
6.3 704 Accelerationtime1 s FLOAT 10.00 0.01 1000.00 ERW FVS
6.4 706 Decelerationtime1 s FLOAT 10.00 0.01 1000.00 ERW FVS
6.5 708 Accelerationtime2 s FLOAT 10.00 0.01 1000.00 ERW FVS
6.6 710 Decelerationtime2 s FLOAT 10.00 0.01 1000.00 ERW FVS
6.7 712 Accelerationtime3 s FLOAT 10.00 0.01 1000.00 ERW FVS
6.8 714 Decelerationtime3 s FLOAT 10.00 0.01 1000.00 ERW FVS
The acceleration and deceleration ramp times are used to avoid sudden changes in the drive output frequency,
which could cause mechanical shocks, excessive current on the motor and excessive DC-bus voltage values.
The acceleration times (6.1,6.3,6.5,6.7) are expressed as the time necessary to bring the frequency from

Table of Contents

Other manuals for gefran ADV200

Related product manuals