EasyManua.ls Logo

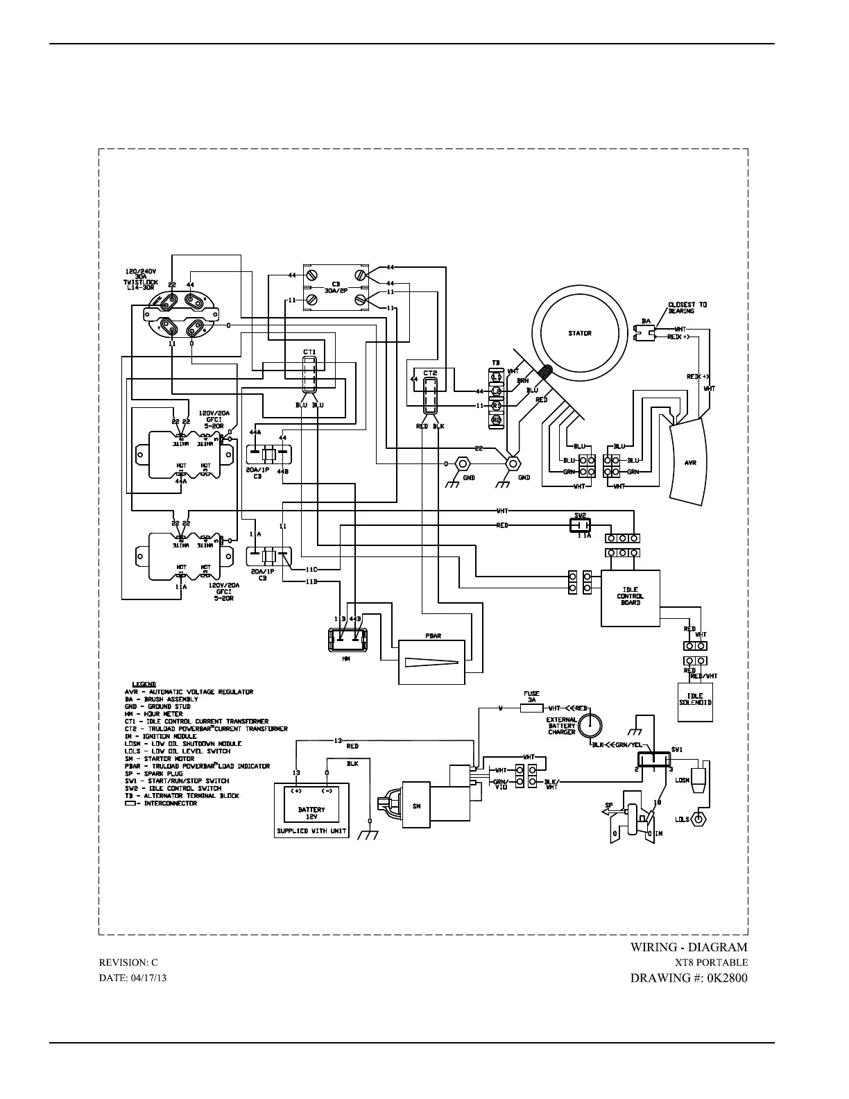
Generac Power Systems XT8000EFI - Wiring Diagram and Electrical Schematic, XT8000 E Drawing No. 0 K2800-C

Generac Power Systems XT8000EFI
114 pages
Print Icon
To Next Page IconTo Next Page
To Next Page IconTo Next Page
To Previous Page IconTo Previous Page
To Previous Page IconTo Previous Page
Loading...
Section 7 Electrical Data
100 Diagnostic Repair Manual
Wiring Diagram and Electrical Schematic, XT8000E Drawing No. 0K2800-C

Table of Contents

Other manuals for Generac Power Systems XT8000EFI

Related product manuals