EasyManua.ls Logo

Generac Power Systems XT8000EFI - Wiring Diagram, XT8000 EFI Drawing no; 10000023894-A

Generac Power Systems XT8000EFI
114 pages
Print Icon
To Next Page IconTo Next Page
To Next Page IconTo Next Page
To Previous Page IconTo Previous Page
To Previous Page IconTo Previous Page
Loading...
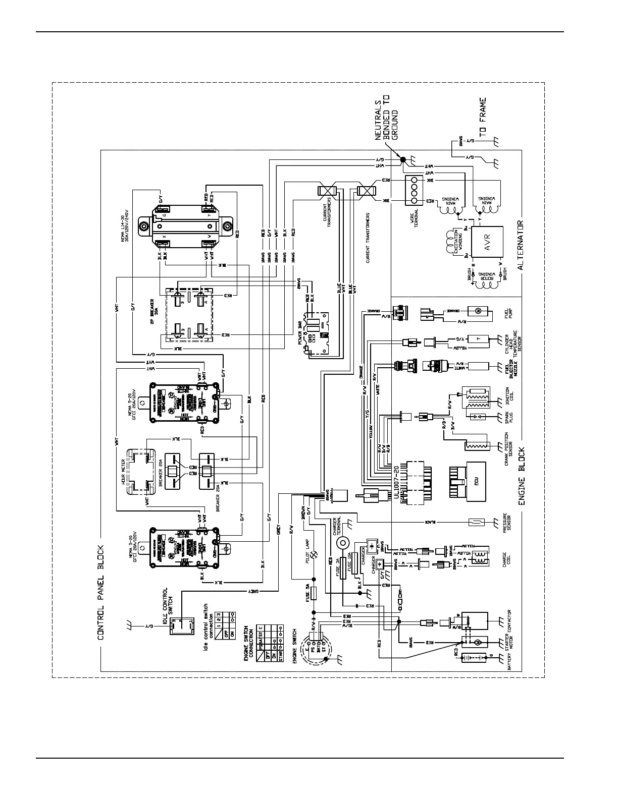
Section 7 Electrical Data
106 Diagnostic Repair Manual
Wiring Diagram, XT8000EFI Drawing No. 10000023894-A
WIRING - DIAGRAM
8000EFI
DRAWING #: 10000023894
REVISION: A
DATE: 01/15/2018

Table of Contents

Other manuals for Generac Power Systems XT8000EFI

Related product manuals