EasyManua.ls Logo

Generac Power Systems XT8000EFI - Wiring Diagram and Electrical Schematic, XC6500 E;XC8000 E Drawing No. 10000010343-A

Generac Power Systems XT8000EFI
114 pages
Print Icon
To Next Page IconTo Next Page
To Next Page IconTo Next Page
To Previous Page IconTo Previous Page
To Previous Page IconTo Previous Page
Loading...
Section 7 Electrical Data
62 Diagnostic Repair Manual
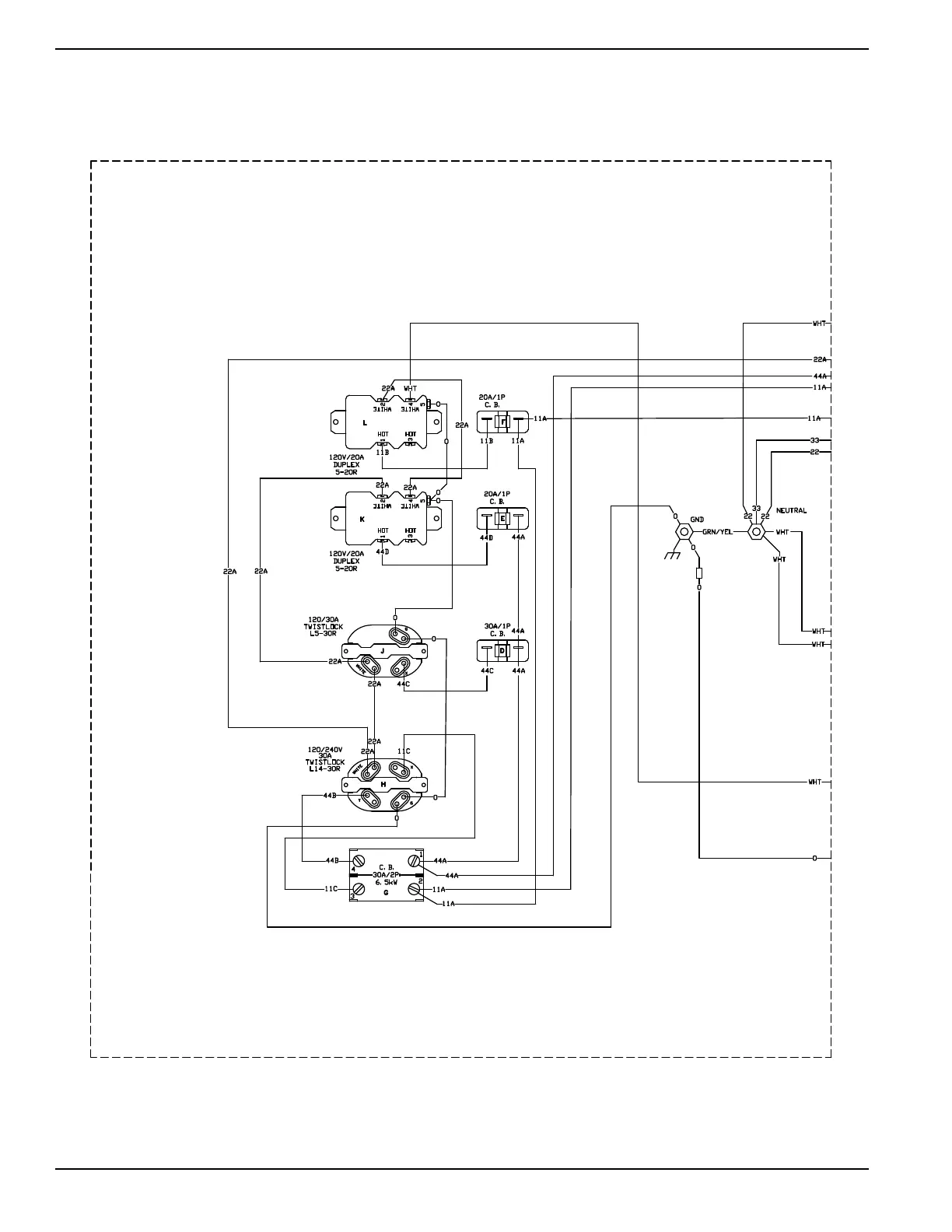
Wiring Diagram and Electrical Schematic, XC6500E/XC8000E Drawing No. 10000010343-A
WIRING - DIAGRAM
XC6.5E/XC8.0E PORTABLE
DRAWING #:10000010343
REVISION: -A-
DATE: 12/13/16

Table of Contents

Other manuals for Generac Power Systems XT8000EFI

Related product manuals