EasyManua.ls Logo

Graco Husky 1050 - Polypropylene (1050 P), Conductive Polypropylene (1050 C) and PVDF (1050 F)

Graco Husky 1050
28 pages
To Next Page IconTo Next Page
To Next Page IconTo Next Page
To Previous Page IconTo Previous Page
To Previous Page IconTo Previous Page
Loading...
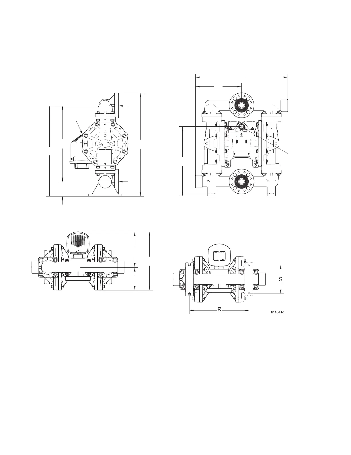
Dimensions and Mounting
20 312877ZAD
Polypropylene (1050P), Conductive Polypropylene (1050C) and
PVDF (1050F)
NOTE: Listed dimensions are accurate for both center and
end flange models, except where noted.
&
%
(
$
1
0
3
.
-
+
*
)
'
/
ti13845b
ti13847b
ti13846b
A 13.2 in. (335 mm)
B 15.7 in. (399 mm)
C 17.8 in. (452 mm)
D 12.0 in. (305 mm)
E 2.5 in. (63.5 mm)
F 8.0 in. (203 mm)
G Center Flange: 16.0 in. (406 mm)
End Flange: 15.2 in. (386 mm)
H 6.2 in. (158 mm)
J 3.9 in. (99 mm)
K 10.2 in. (258 mm)
L 1/2 npt(f) air inlet
M 1 in. ANSI/DIN flange
N 1 in. ANSI/DIN flange
P 3/4 npt(f) air exhaust port
R Polypropylene (1050P):
10.42 in. (265 mm)
Conductive Polypropylene (1050C):
10.55 in. (268 mm)
PVDF (1050F): 10.37 in. (263.4 mm)
S 5.0 in. (127 mm)

Other manuals for Graco Husky 1050

Related product manuals