EasyManua.ls Logo

Graco Husky 1050 - Stainless Steel (1050 S) with Center Tri-Clamp Manifold

Graco Husky 1050
28 pages
Print Icon
To Next Page IconTo Next Page
To Next Page IconTo Next Page
To Previous Page IconTo Previous Page
To Previous Page IconTo Previous Page
Loading...
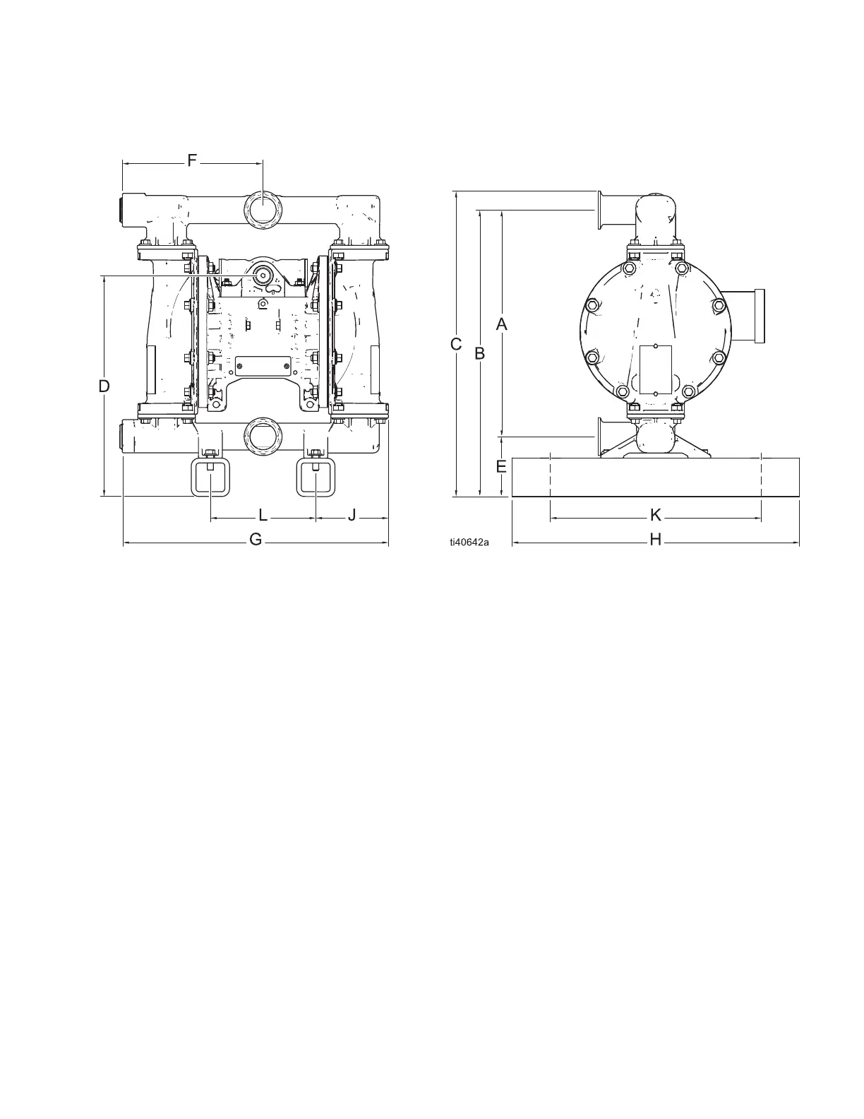
Dimensions and Mounting
312877ZAD 23
Stainless steel (1050S) with center tri-clamp manifold
A 11.8 in. (300 mm)
B 14.9 in. (378 mm)
C 15.9 in. (403 mm)
D 11.5 in. (292 mm)
E 3.1 in. (79 mm)
F 7.35 in. (187 mm)
G 13.9 in. (353 mm)
H 15.0 in. (381 mm)
J 3.8 in. (97 mm)
K 11.0 in. (279 mm)
L 5.5 in. (140 mm)

Other manuals for Graco Husky 1050

Related product manuals