EasyManua.ls Logo

Graco Husky 1050 - Stainless Steel (1050 S) with Center Flange Manifold

Graco Husky 1050
28 pages
Print Icon
To Next Page IconTo Next Page
To Next Page IconTo Next Page
To Previous Page IconTo Previous Page
To Previous Page IconTo Previous Page
Loading...
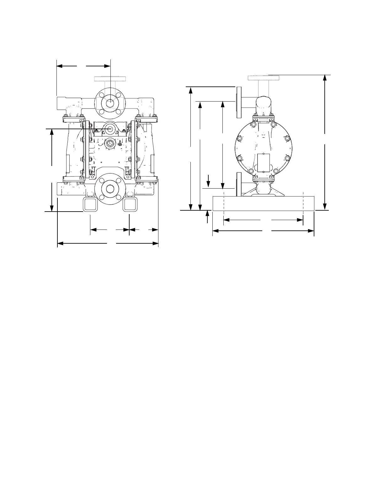
Dimensions and Mounting
22 312877ZAD
Stainless steel (1050S) with center flange manifold
ti29941a
ti29942a
D
A
B
E
F
L J
C
G
C
K
H
A 11.8 in. (300 mm)
B 14.9 in. (378 mm)
C* 17.1/18.7 in. (434/475 mm)
D 11.5 in. (292 mm)
E 3.1 in. (79 mm)
F 7.35 in. (187 mm)
G 13.9 in. (353 mm)
H 15.0 in. (381 mm)
J 3.8 in. (97 mm)
K 11.0 in. (279 mm)
L 5.5 in. (140 mm)
*Dimension C lists values for outlet port in both
horizontal and vertical positions.

Other manuals for Graco Husky 1050

Related product manuals