EasyManua.ls Logo

Graco Husky 2200 - Torque Instructions; Manifold Screw Torque Specs; Air Valve and Pilot Valve Torque; Fluid Cover Screw Torque

Graco Husky 2200
24 pages
Print Icon
To Next Page IconTo Next Page
To Next Page IconTo Next Page
To Previous Page IconTo Previous Page
To Previous Page IconTo Previous Page
Loading...
TorqueInstructions
Torque Torque
Torque
Instructions Instructions
Instructions
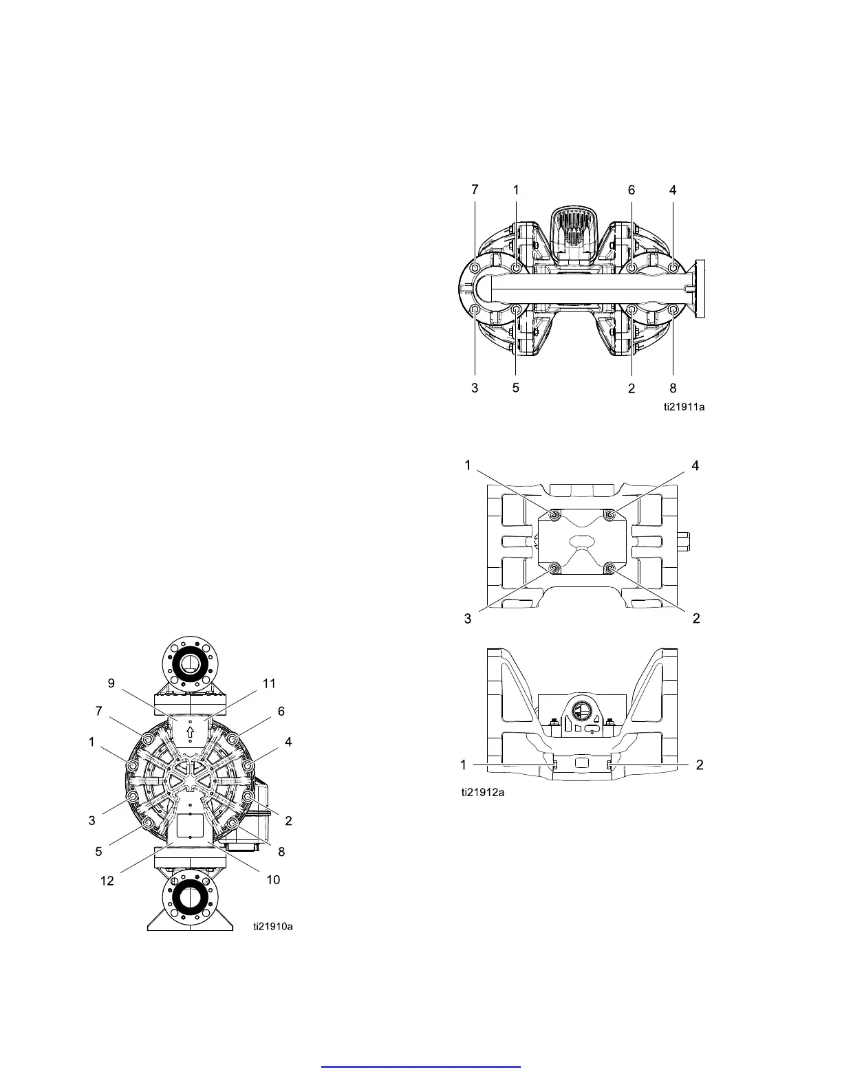
If󰘱uidcoverormanifoldfastenershavebeen
loosened,itisimportanttotorquethemusingthe
followingproceduretoimprovesealing.
NOTE: NOTE:
NOTE:
Fluidcoverandmanifoldfastenershavea
thread-lockingadhesivepatchappliedtothethreads.
Ifthispatchisexcessivelyworn,thefastenersmay
loosenduringoperation.Replacescrewswithnew
onesorapplymedium-strength(blue)Loctiteor
equivalenttothethreads.
NOTE: NOTE:
NOTE:
Alwayscompletelytorque󰘱uidcoversbefore
torquingmanifolds.
1.Startall󰘱uidcoverscrewsafewturns.Then,turn
downeachscrewjustuntilheadcontactscover.
2.Turneachscrewby1/2turnorlessworkingina
crisscrosspatterntospeci󰘰edtorque.
3.Repeatformanifolds.
Fluid Fluid
Fluid
cover cover
cover
and and
and
manifold manifold
manifold
fasteners: fasteners:
fasteners:
190to220
in-lb(21to25Nm)
4.Retorquetheairvalvefastenersinacrisscross
patterntothespeci󰘰edtorque.
Air Air
Air
valve valve
valve
fasteners: fasteners:
fasteners:
45to55in-lb(5to6Nm)
5.Retorquethepilotvalvestothespeci󰘰edtorque.
Do Do
Do
not not
not
overtorque. overtorque.
overtorque.
Pilot Pilot
Pilot
valves: valves:
valves:
20to25in-lb(2to3Nm)
Fluid Fluid
Fluid
Cover Cover
Cover
Screws Screws
Screws
Inlet Inlet
Inlet
and and
and
Outlet Outlet
Outlet
Manifold Manifold
Manifold
Screws Screws
Screws
Air Air
Air
Valve Valve
Valve
Screws Screws
Screws
and and
and
Pilot Pilot
Pilot
Valves Valves
Valves
16 3A2578E
www.northridgepumps.com

Other manuals for Graco Husky 2200

Related product manuals