EasyManua.ls Logo

Graco TI12552a - Page 71

Graco TI12552a
134 pages
Print Icon
To Next Page IconTo Next Page
To Next Page IconTo Next Page
To Previous Page IconTo Previous Page
To Previous Page IconTo Previous Page
Loading...
Integrated Flow Control
312779E 71
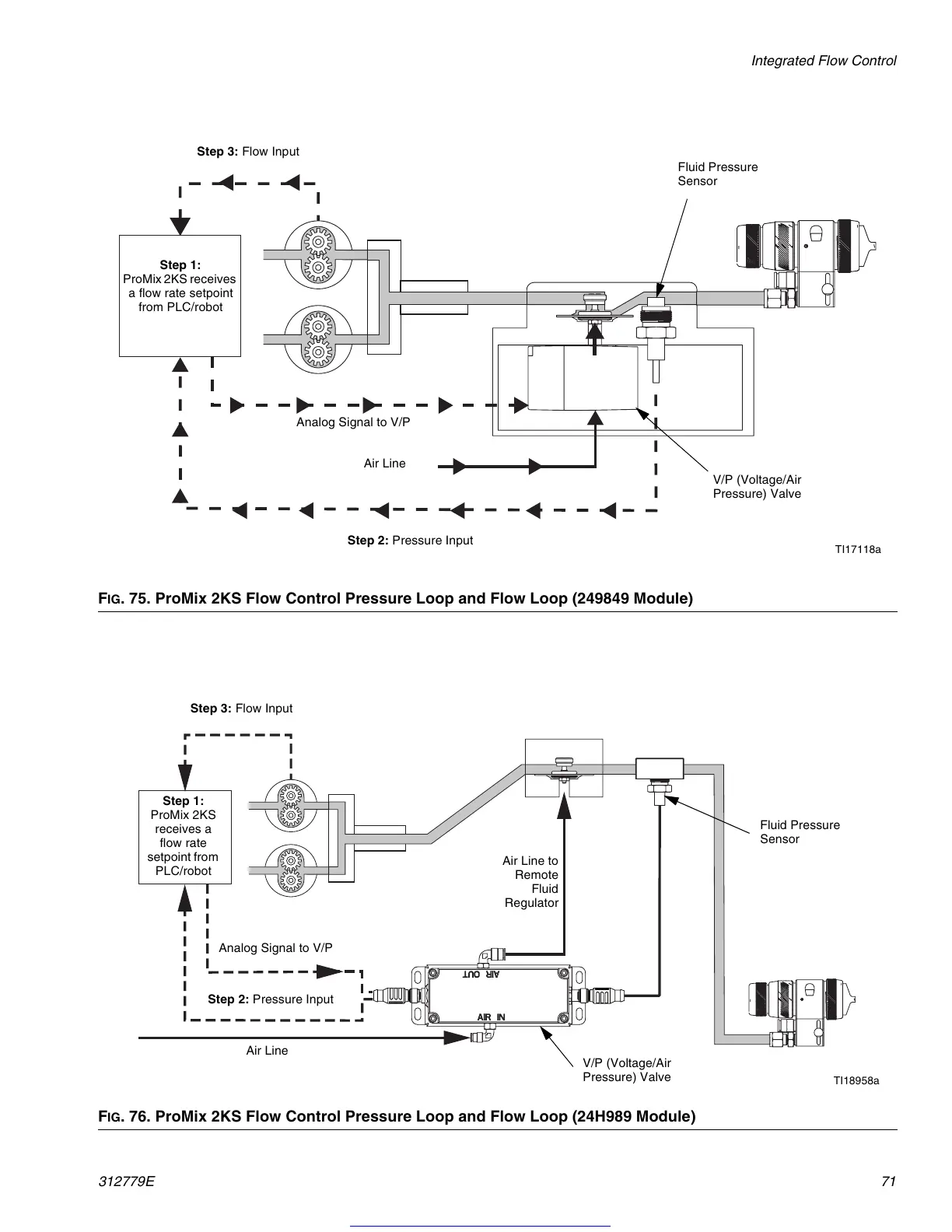
F
IG
. 75. ProMix 2KS Flow Control Pressure Loop and Flow Loop (249849 Module)
TI17118a
Fluid Pressure
Sensor
Step 2: Pressure Input
V/P (Voltage/Air
Pressure) Valve
Analog Signal to V/P
Air Line
Step 1:
ProMix 2KS receives
a flow rate setpoint
from PLC/robot
Step 3: Flow Input
F
IG
. 76. ProMix 2KS Flow Control Pressure Loop and Flow Loop (24H989 Module)
TI18958a
Fluid Pressure
Sensor
Step 2: Pressure Input
V/P (Voltage/Air
Pressure) Valve
Analog Signal to V/P
Air Line
Step 1:
ProMix 2KS
receives a
flow rate
setpoint from
PLC/robot
Step 3: Flow Input
Air Line to
Remote
Fluid
Regulator
Get other manuals https://www.bkmanuals.com

Table of Contents

Other manuals for Graco TI12552a

Related product manuals