EasyManua.ls Logo

GRAPHTEC FC4200-60 - Plotter Nomenclature

GRAPHTEC FC4200-60
106 pages
Print Icon
To Next Page IconTo Next Page
To Next Page IconTo Next Page
To Previous Page IconTo Previous Page
To Previous Page IconTo Previous Page
Loading...
FC4200-UM-251-03-9370 11
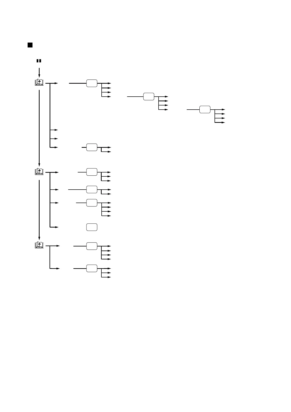
THE TREE STRUCTURE OF MENUS
In Menu mode for FC4210-60
INTERFACE
OPTION1
FILM
FUNCTION
PEN WIDTH
UP SPEED
OFST FCE
OFST ANG
STP PASS
L UNIT
DIST ADJ
TEST
OPTION2
CLEAR
PEN U/D
SELECT PEN
NEXT PAGE
NEXT PAGE
NEXT PAGE
F1
F2
F2
F4
F3
F1
F4
F4
F4
F4
SPEED
LEVEL
CUT MARK
T3 SENS STEP
DIST AD
J.
AD
J.SENS
OFFSET
SENS OP
T.
MODE
TYPE
SIZE
EX
PAND
MARK
PAUSE
Page Main Menu Submenu
ORIGIN POINT
(HP-GL mode only)
AREA
ROTATE
THICK
MIRROR
SORT
PEN NO.
PERF.
STEP SIZE
(GP-GL mode only)
RS-232C
COMMAND
Only when the MARK mode is ON

Table of Contents

Other manuals for GRAPHTEC FC4200-60

Related product manuals