EasyManua.ls Logo

GRAPHTEC FC4200-60 - Specifying the STEP SIZE

GRAPHTEC FC4200-60
106 pages
Print Icon
To Next Page IconTo Next Page
To Next Page IconTo Next Page
To Previous Page IconTo Previous Page
To Previous Page IconTo Previous Page
Loading...
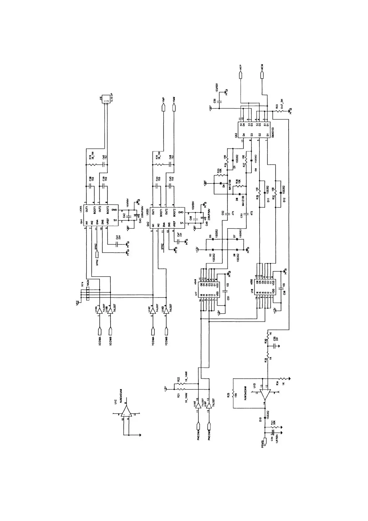
FC4200-UM-251-03-9370 93
CIRCIT DIAGRAMS
Main Board (6/10)

Table of Contents

Other manuals for GRAPHTEC FC4200-60

Related product manuals