EasyManua.ls Logo

GSK DA98D - Page 24

Default Icon
79 pages
Print Icon
To Next Page IconTo Next Page
To Next Page IconTo Next Page
To Previous Page IconTo Previous Page
To Previous Page IconTo Previous Page
Loading...
DA98D User Manual
13
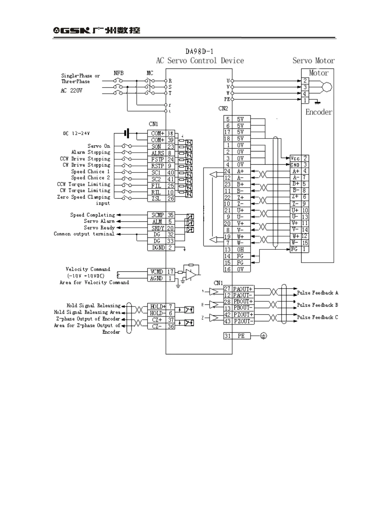
Fig. 3.2 Standard Wiring for Speed Control Mode
AM26LS32 Receiver

Related product manuals