EasyManua.ls Logo

GYS E1 - Electrical Schematics (continued); E2 Circuit Diagram

GYS E1
Print Icon
To Next Page IconTo Next Page
To Next Page IconTo Next Page
To Previous Page IconTo Previous Page
To Previous Page IconTo Previous Page
Loading...
72
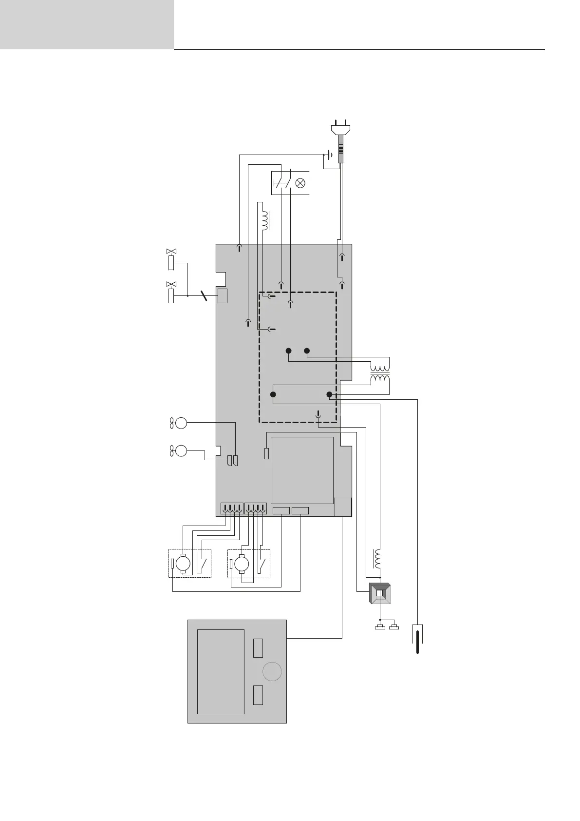
E1 - E2 - E3 GYS AUTO
Schéma électrique
E2
15
16-8
14
6
M
8
12 16-4
M
16-5
M
13
4
16-7
11
8
7
16-2
16-10
M
8
8
4
14

Related product manuals